di nuovo a
>
>
>
>
>
>
>
Liste dei pezzi di ricambio per Toro
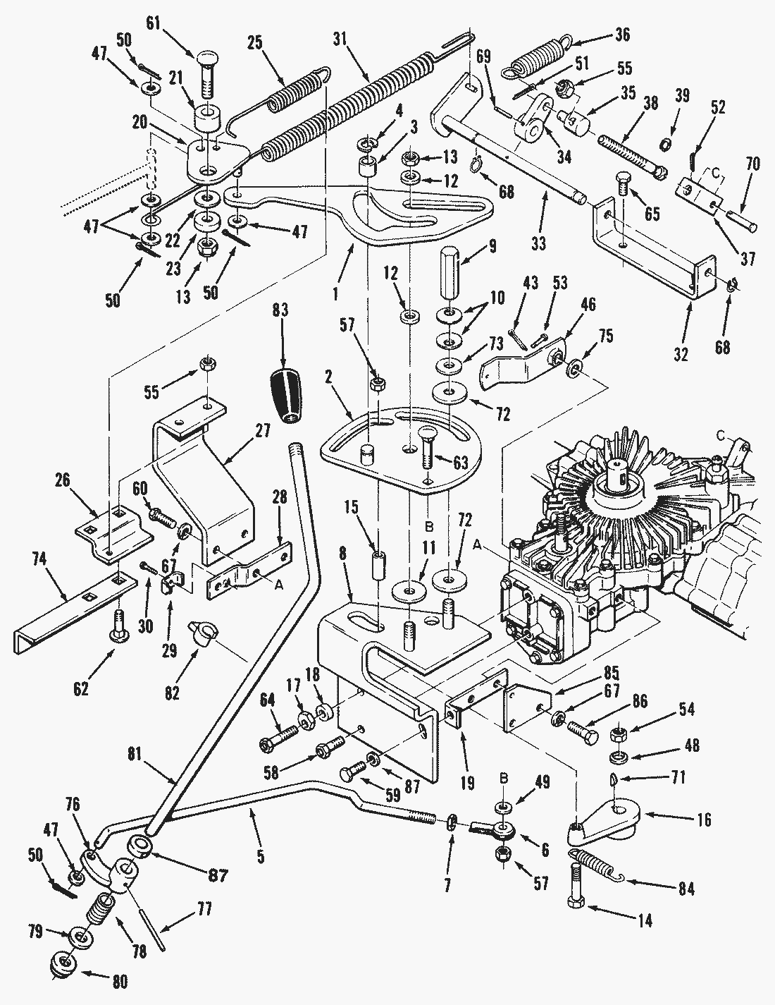
pos.
descrizione
NĂºmero de pieza
1
114416
2
114401
3
100656
4
32120-47
5
116339
6
110189
7
3220-1
8
114403
9
114695
10
100365
11
100305
12
100309
13
109779
14
911459
15
114402
16
116340
17
106661
18
109447
19
114656
20
114404
21
114697
22
920271
23
104859
25
114818
26
114668
27
114410
28
115678
29
111688
30
926641
31
114698
32
114666
33
114670
34
114663
35
104524
36
107677
37
114665
38
116287
39
32151-73
43
932000
46
116398
47
3256-23
48
3256-24
49
3256-22
50
3272-6
51
3272-7
52
3272-2
53
932948
54
32146-2
55
3296-29
57
3296-42
58
926696
59
322-2
60
322-3
61
3231-4
62
3230-2
63
3229-2
64
926698
65
908016
67
3253-4
68
32151-57
69
32120-50
70
932948
71
937082
72
114821
73
3256-4
74
115677
75
920259
76
111430
77
933273
78
111432
79
3765
80
5666
81
78-3230
82
113025
83
112983
84
117326
85
117325
86
322-5
87
78-2030
Toro
Condizioni generali di contratto
(C) by motoruf