di nuovo a
motoruf
Warenkorb

Liste dei pezzi di ricambio per Toro




Liste dei pezzi di ricambio


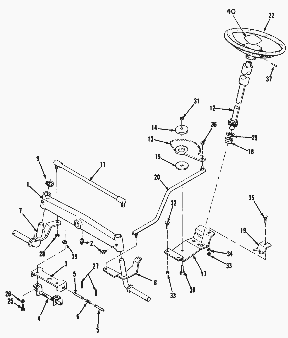
pos.descrizioneNĂºmero de pieza
1114385
2302-5
3112847
4113044
5113030
6111531
7111406
8111409
932120-93
11112981
1279-5660
13111417
14111418
15111419
1778-1991
78-3221
18110391
19111422
20111423
2278-3100
25322-4
263253-4
2732121-103
28915001
293765
303231-28
31108881
323230-22
333229-29
343256-23
353230-2
36915002
3732121-111
392844
4078-0370
Toro
Condizioni generali di contratto
(C) by motoruf