di nuovo a
motoruf
Warenkorb

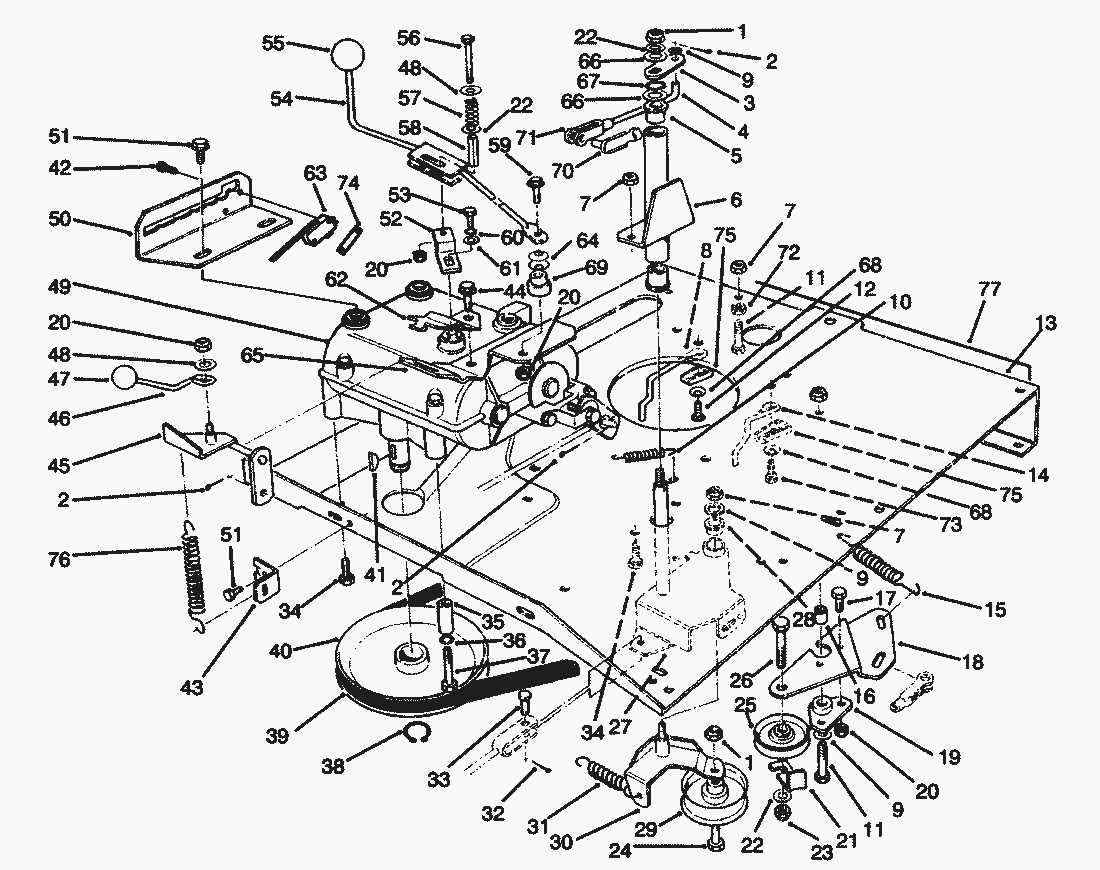
Liste dei pezzi di ricambio per Toro




Liste dei pezzi di ricambio


pos.descrizioneNĂºmero de pieza
47233-22
483256-55
4967-1400
5088-9810-03
5132144-14
5256-7620
53329-4
5476-3940-03
55233-48
56321-15
5756-7730
5856-7740
59321-8
603253-3
613256-22
6267-0670
6388-9930
643290-478
6567-0660
6620-3220
6732151-62
683290-456
6976-3970
7067-1530
71282-27
723218-2
7332144-26
743290-354
7576-3820
7676-4660
7776-3860
Toro
Condizioni generali di contratto
(C) by motoruf