di nuovo a
motoruf
Warenkorb

Liste dei pezzi di ricambio per Toro




Liste dei pezzi di ricambio


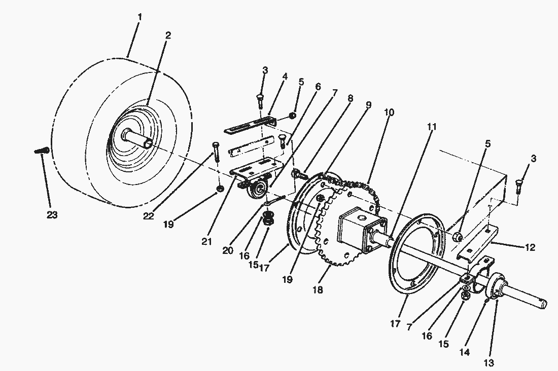
pos.descrizioneNĂºmero de pieza
1231-115
244-9760
33231-4
461-9990
53296-42
63231-25
747-1480
8321-4
92710-11
1067-0910
1156-9960
1266-6630-01
1347-1490
143245-32
153296-39
163256-24
1776-1580-0
1876-4010
193296-29
2061-9980
2166-6620-01
2246-2511
23232-27
11-0410
Toro
Condizioni generali di contratto
(C) by motoruf