di nuovo a
motoruf
Warenkorb

Liste dei pezzi di ricambio per Toro




Liste dei pezzi di ricambio


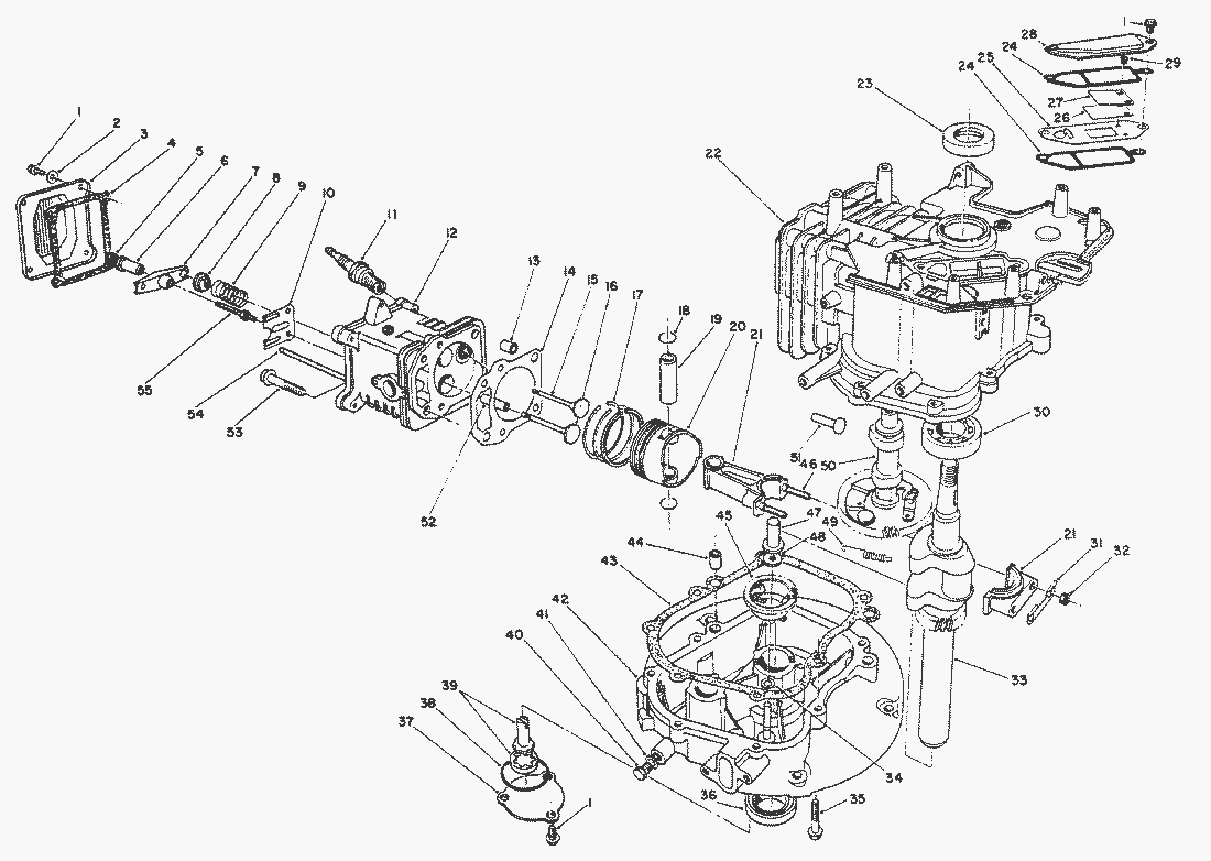
pos.descrizioneNĂºmero de pieza
3881-3480
3981-3490
4081-4970
4181-3510
4281-3520
4381-3530
4450-0450
4581-3550
4681-3610
4781-3560
4881-3570
4981-3580
5081-5550
5181-3600
5281-3830
5350-0190
5481-3810
5581-3800
13-5939
Toro
Condizioni generali di contratto
(C) by motoruf