di nuovo a
motoruf
Warenkorb

Liste dei pezzi di ricambio per Toro




Liste dei pezzi di ricambio


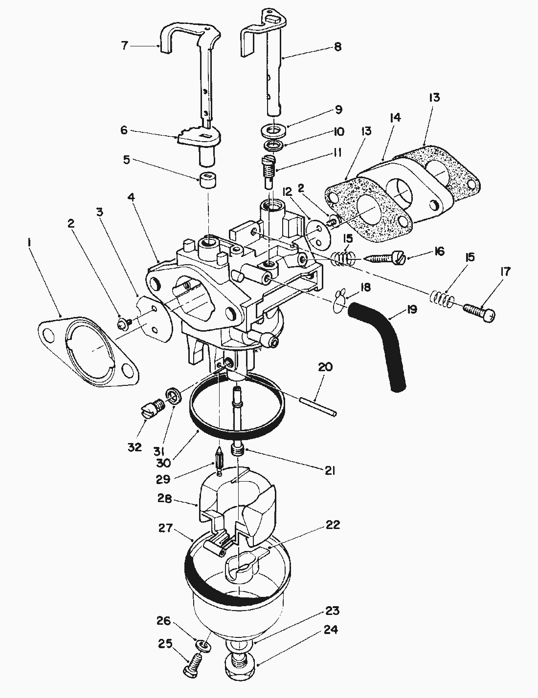
pos.descrizioneNĂºmero de pieza
181-4250
281-2710
381-2720
4
581-5530
681-5520
781-5510
881-2920
981-4280
1081-4290
1181-5620
1281-2940
1381-5560
1481-5570
1581-2580
1650-2360
1750-0250
1881-4300
1981-4310
2081-5600
2181-5630
2281-4940
2381-2650
2481-2660
2581-2670
2681-2680
2781-4340
2881-4920
2981-4700
3081-2630
3181-4350
3281-5610
81-5640
81-4270
81-5650
81-5590
Toro
Condizioni generali di contratto
(C) by motoruf