di nuovo a
>
>
>
>
>
>
>
Liste dei pezzi di ricambio per Toro
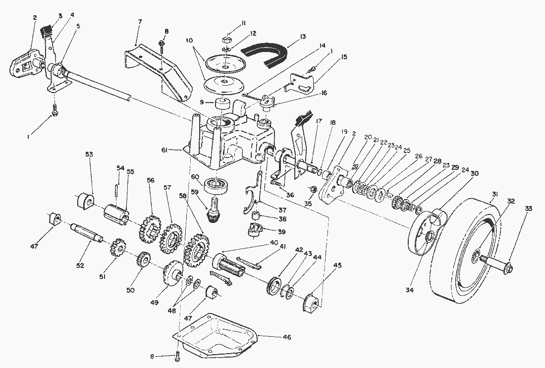
pos.
descrizione
Número de pieza
11-9519
pos.
descrizione
Número de pieza
1
32144-70
2
65-5042
3
25-7740
4
65-5440
5
66-0360
7
65-5190
8
49-2040
9
62-6660
10
60-8840
11
3296-5
12
3256-24
13
66-0210
14
3272-5
15
76-2930
16
76-0920
17
65-4770
18
237-153
19
47-2900
20
302-56
21
48-2060
22
65-4730
23
65-4740
24
65-2720
25
65-4710
26
65-4760
27
66-6050
66-6040
28
65-4750
29
65-4720
30
74-1660
32
27-6250
33
27-6231
34
74-1670
35
3296-6
36
65-5220
37
60-8870
38
29-9570
39
60-8810
40
76-0780
41
76-0760
42
76-0770
43
65-5250
44
36-4780
Toro
Condizioni generali di contratto
(C) by motoruf