di nuovo a
motoruf
Warenkorb

Liste dei pezzi di ricambio per Toro




Liste dei pezzi di ricambio


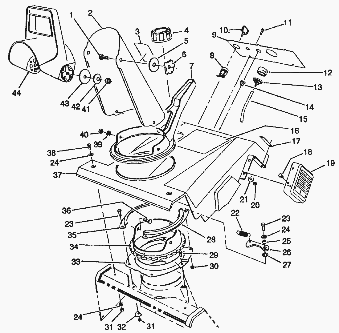
pos.descrizioneNĂºmero de pieza
313296-42
3255-9680
3355-8921
3471-4950
3571-4990
363230-16
3771-5080
383250-32
393256-70
4032149-1
413296-29
423290-340
433256-68
4456-2680
Toro
Condizioni generali di contratto
(C) by motoruf