di nuovo a
>
>
>
>
>
>
>
>
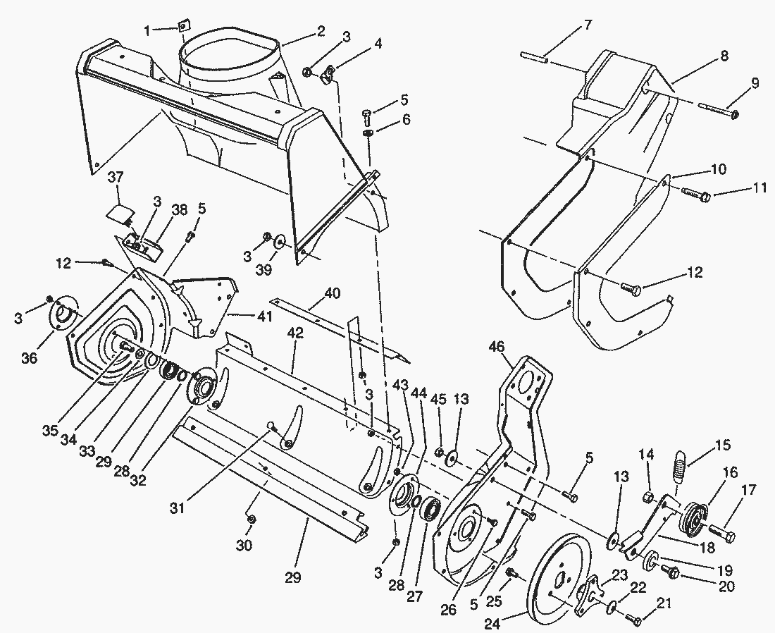
Liste dei pezzi di ricambio per Toro
pos.
descrizione
NĂºmero de pieza
1
32115-14
2
55-8700
3
3296-42
4
55-9430
5
321-4
6
3256-22
7
57-3830
8
71-5030
9
71-5350
10
71-5150
11
36-3860
12
32105-15
13
5-4460
14
3296-39
15
71-5470
16
71-5260
17
323-44
18
71-5160
19
71-5250
20
19-1470
21
321-30
22
3290-456
23
71-5070
24
71-5410
25
12-3270
26
32105-8
27
38-7820
28
52-7280
29
71-5390
30
32128-10
31
3229-11
32
52-9110
33
52-7270
34
3256-24
35
3234-25
36
52-7290
37
71-5270
38
71-5310
39
3256-67
40
71-5540
41
71-4920
42
71-4930
43
3296-2
44
38-8620
45
3296-47
46
71-4910
Toro
Condizioni generali di contratto
(C) by motoruf