di nuovo a
>
>
>
>
>
>
>
>
Liste dei pezzi di ricambio per Toro
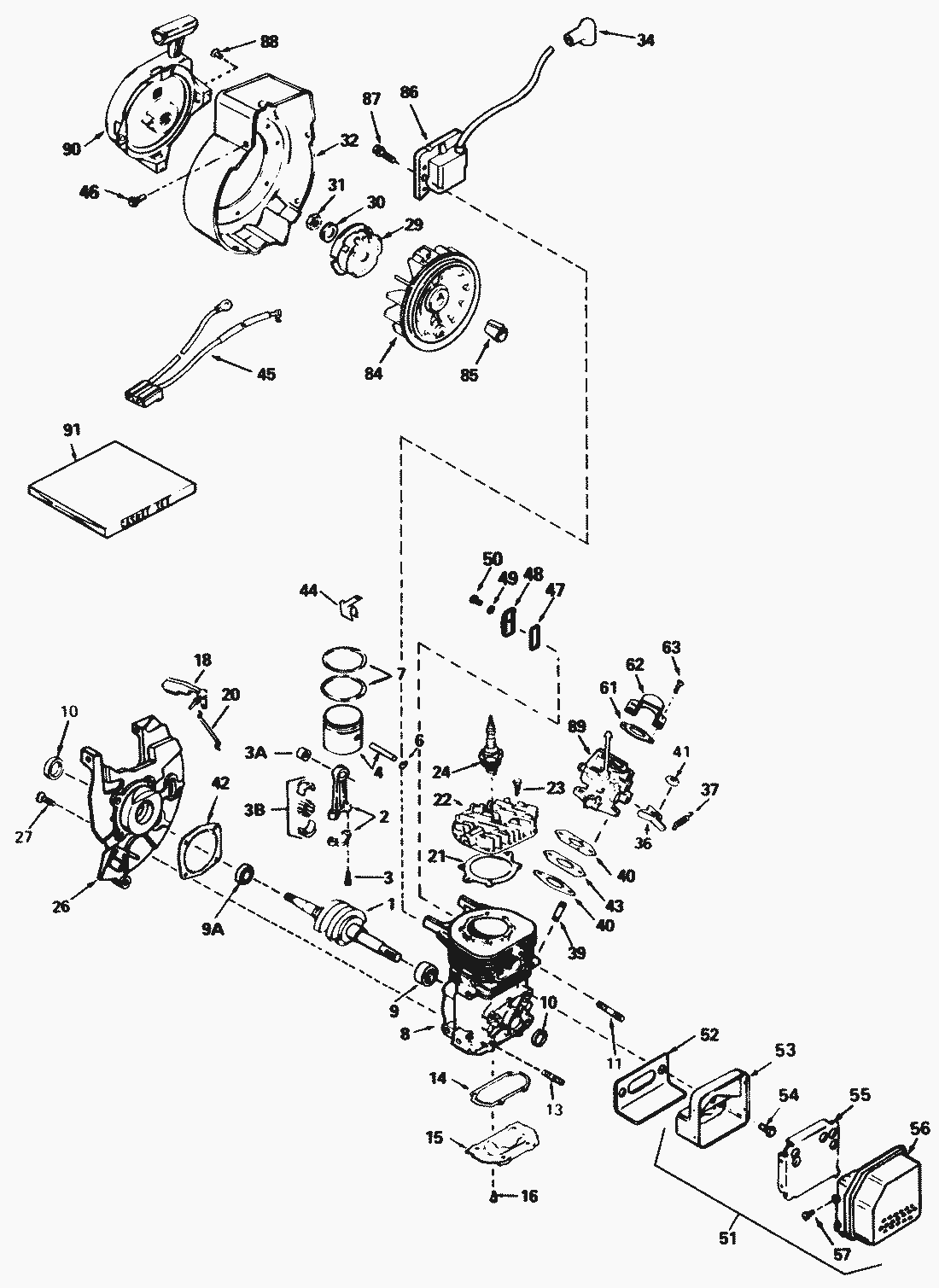
pos.
descrizione
Número de pieza
310283A
310235B
350396
390263B
632552
pos.
descrizione
Número de pieza
1
290602
3
650633
3
530104A
3
530150
6
310167
7
310190
8
9
530105
9
530110
10
510319
13
650796
14
510323
15
570644
16
650579
18
490291A
20
490294
21
510274A
22
250240A
23
650477
24
611049
27
650911
29
590551
30
650815
31
650390
32
350397
34
610118
36
570645
37
570646
39
650527
40
510326A
41
650457
42
510292A
43
570438A
44
29443
45
611153
46
650356
47
510325A
48
570647
49
650838
50
650579
52
510346
53
390292
54
650911
55
390272
56
390267
57
650578
61
510206A
62
570434
63
650229
84
611112
85
611032
86
34443A
87
650814
88
90
590537
91
510324B
Toro
Condizioni generali di contratto
(C) by motoruf