di nuovo a
>
>
>
>
>
>
>
>
Liste dei pezzi di ricambio per Toro
Liste dei pezzi di ricambio 1
Liste dei pezzi di ricambio 2
Liste dei pezzi di ricambio 3
pos.
descrizione
Número de pieza
391288
391782
391287
391783
391816
66884
270857
391286
270856
270858
94174
pos.
descrizione
Número de pieza
1
396209
5
212917
7
271075
8
391575
9
27803
10
93394
11
280112
14
93723
93211
15
91084
15
93418
16
399688
18
391714
20
291675
22
93585
93730
90366
91397
22
93764
25
391285
391289
26
391780
391781
27
260924
28
299691
30
222329
31
222299
32
92909
33
261185
34
261462
35
65906
36
26828
40
221596
41
292260
42
93630
45
261183
46
212296
50
490051
51
270267
52
270872
53
93415
54
93208
81
222407
81
2223061
209
260695
219
391737
220
221551
222
399152
227
396775
230
222450
300
490369
306
222744
308
222306
337
293918
346
93705
353
92791
354
90576
358
391834
383
89838
414
231109
523
392295
524
68838
525
392283
552
231056
562
92613
613
93927
614
93306
615
93307
616
231057
621
396847
635
66538
676
396903
741
262135
751
22355
752
93554
758
391481
836
92747
869
261436
870
210940
871
231218
883
270917
985
398525
1019
491195
pos.
descrizione
Número de pieza
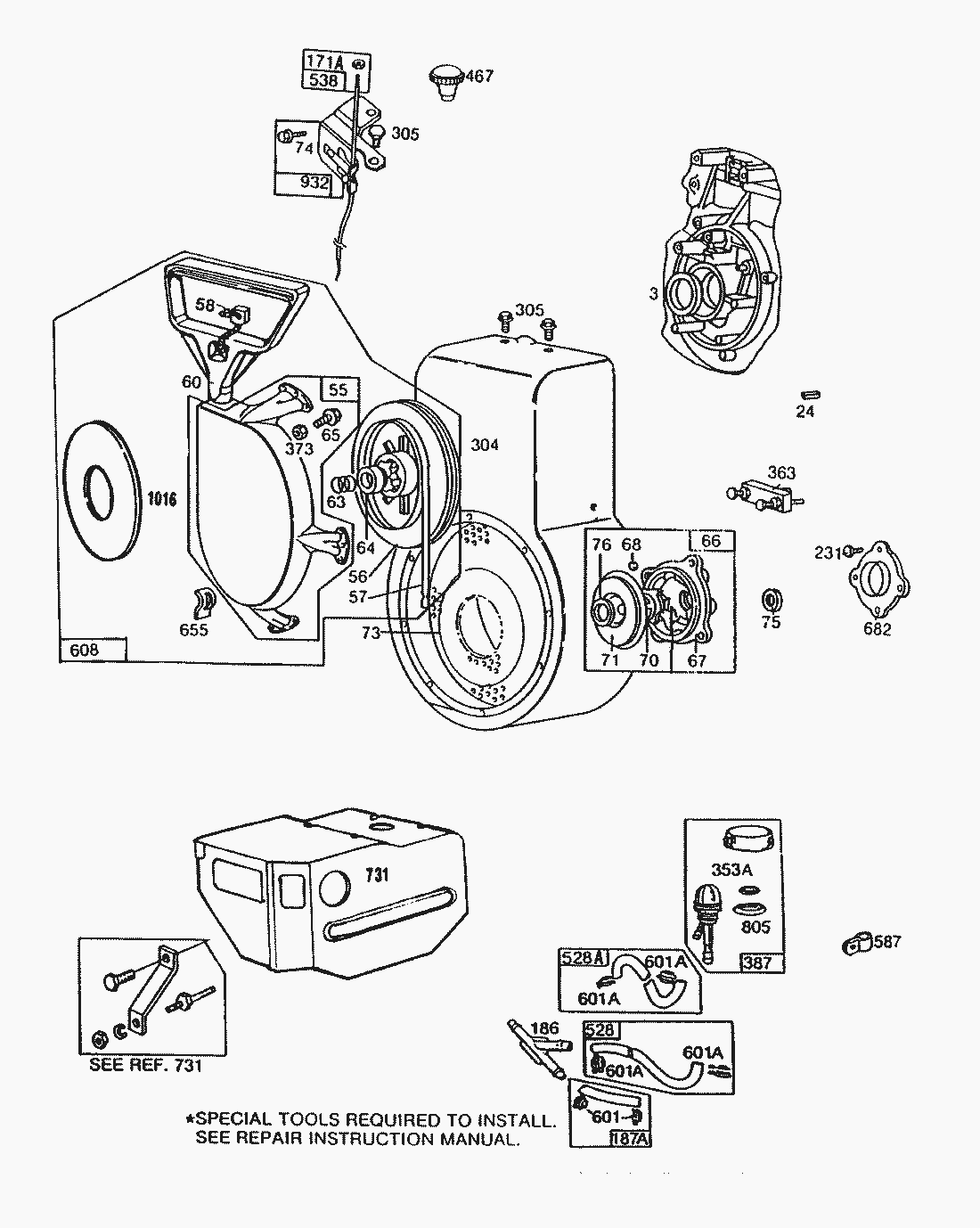
3
391086
24
222698
55
398099
56
295871
57
490179
60
398101
63
260414
64
230543
65
93105
66
394558
67
394897
68
63770
70
298799
71
221653
73
221794
74
93042
75
22086
76
68238
171
90356
186
280727
187
393815
188
93535
231
93064
304
392738
305
93158
353
94281
363
19203
373
92987
387
399255
467
391908
528
399254
528
399256
538
396085
587
220162
601
93807
608
397982
655
222598
682
211516
731
490173
805
94189
932
396084
1016
490817
pos.
descrizione
Número de pieza
23
391988
90
399252
91
391833
93
23108
94
292681
95
93499
96
221939
97
391596
98
91920
99
26157
100
212904
101
93043
102
270268
103
298514
104
230896
105
394681
107
391829
108
223781
109
391884
110
62899
110
222712
111
26155
112
23123
113
394730
114
68667
118
99525
119
94152
121
394989
127
221747
165
93453
166
231007
171
92129
187
296004
198
293934
199
390303
244
230318
333
398265
334
93381
356
398838
474
393474
482
93621
726
392134
727
223597
851
221798
855
231145
877
393456
878
393362
917
223271
956
397928
957
397975
959
223754
960
223755
961
94095
Toro
Condizioni generali di contratto
(C) by motoruf