di nuovo a
>
>
>
>
>
>
>
>
Liste dei pezzi di ricambio per Toro
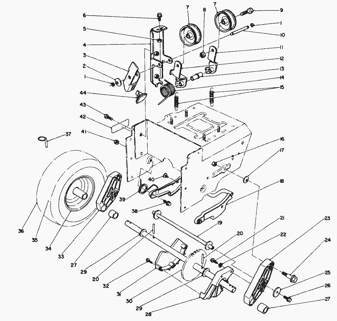
pos.
descrizione
Número de pieza
62-0150
62-1090
63-3150
pos.
descrizione
Número de pieza
1
32120-46
2
3290-477
3
63-2820
4
63-2850
5
3296-42
6
3234-13
7
3-4244
8
3296-59
9
323-7
10
62-0970
11
62-1260
12
62-1280
13
62-1210
14
63-2881
15
63-2870
16
3296-39
17
3290-461
18
62-0470
19
63-3440
20
32121-9
21
32144-4
22
3256-1
24
62-1330
25
63-3360
26
32144-41
27
63-2250
28
62-1010
29
252-80
30
63-2112
31
62-1000
32
32104-118
34
241-125
35
232-48
36
231-123
37
3290-243
38
5-2490
39
63-2740
40
3290-476
41
3296-47
42
63-3460
63-3470
43
3234-7
44
40-8140
Toro
Condizioni generali di contratto
(C) by motoruf