di nuovo a
motoruf
Warenkorb

Liste dei pezzi di ricambio per Toro




Liste dei pezzi di ricambio


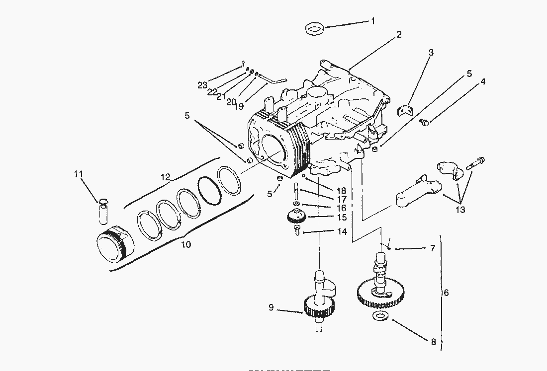
pos.descrizioneNĂºmero de pieza
112_032_03
212_522_01
312_445_02
4M-0839025
512_380_03
612_755_49
712_089_18
812_422_07
812_422_08
812_422_09
812_422_10
812_422_11
812_422_12
812_422_13
912_144_19
1012_874_01
1012_874_02
1012_874_03
1112_018_02
1212_108_01
1212_108_02
1212_108_03
1312_067_01
1312_067_02
1412_380_01
1512_043_05
16SM-0631005
1712_144_02
1852_139_09
1912_144_01
20SM-0631015
2112_032_01
22X-25-102
2312_380_04
12_722_01
Toro
Condizioni generali di contratto
(C) by motoruf