di nuovo a
motoruf
Warenkorb

Liste dei pezzi di ricambio per Toro




Liste dei pezzi di ricambio


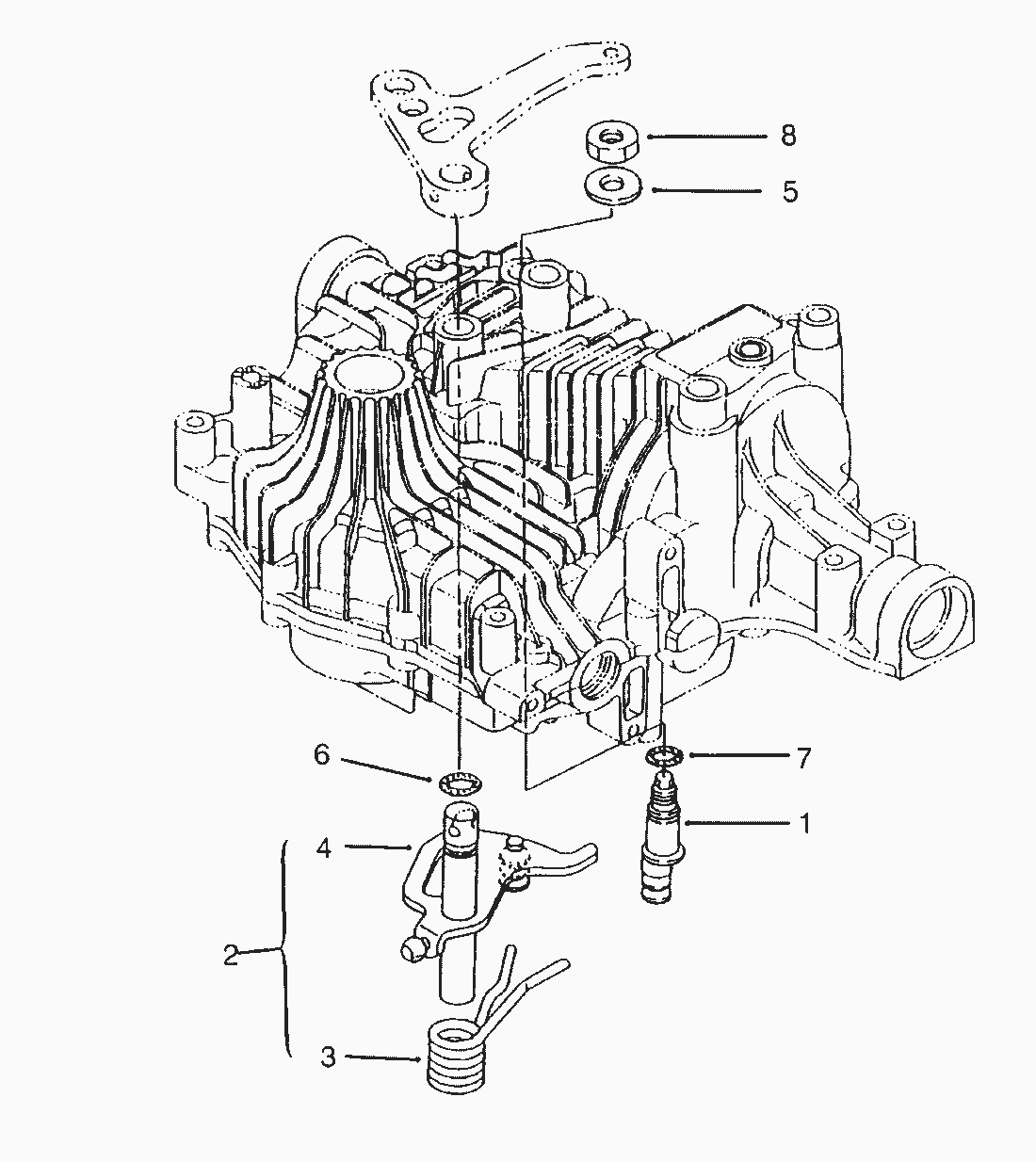
pos.descrizioneNĂºmero de pieza
193-0413
293-0414
3
4
593-0417
693-0418
793-0419
893-0420
Toro
Condizioni generali di contratto
(C) by motoruf