di nuovo a
>
>
>
>
>
>
>
Liste dei pezzi di ricambio per Toro
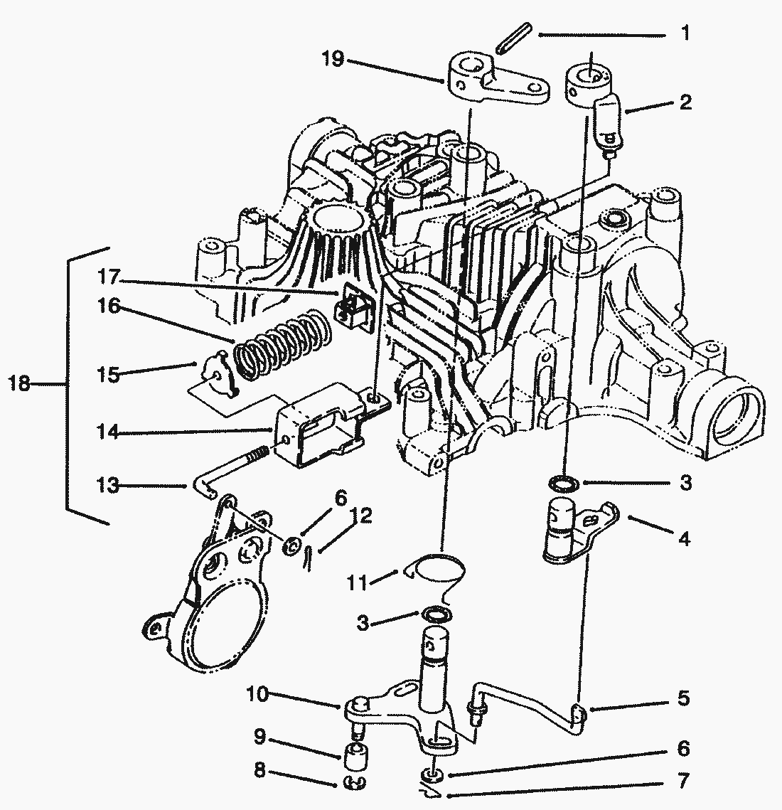
pos.
descrizione
NĂºmero de pieza
1
93-0411
2
93-0433
3
93-0418
4
93-0432
5
93-0431
6
93-0435
7
93-0434
8
93-0410
9
93-0421
10
93-0430
11
93-0422
12
93-0412
13
93-0428
14
93-0426
15
93-0425
16
93-0427
17
93-0424
18
93-0423
19
93-0429
Toro
Condizioni generali di contratto
(C) by motoruf