di nuovo a
motoruf
Warenkorb

Liste dei pezzi di ricambio per Toro




Liste dei pezzi di ricambio


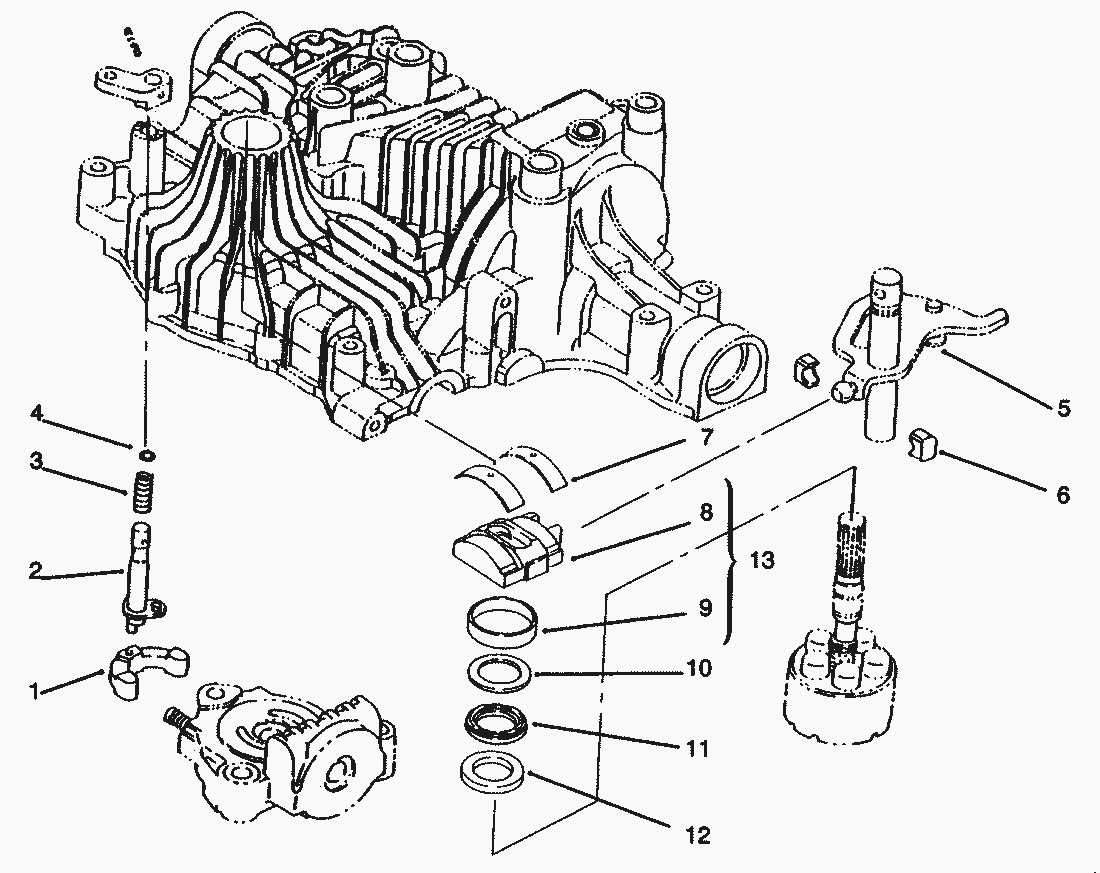
pos.descrizioneNĂºmero de pieza
193-0395
293-0397
393-0396
493-0400
593-0398
6
793-0388
8
9
1093-0394
1193-0392
1293-0393
1393-0389
Toro
Condizioni generali di contratto
(C) by motoruf