di nuovo a
motoruf
Warenkorb

Liste dei pezzi di ricambio per Toro




Liste dei pezzi di ricambio


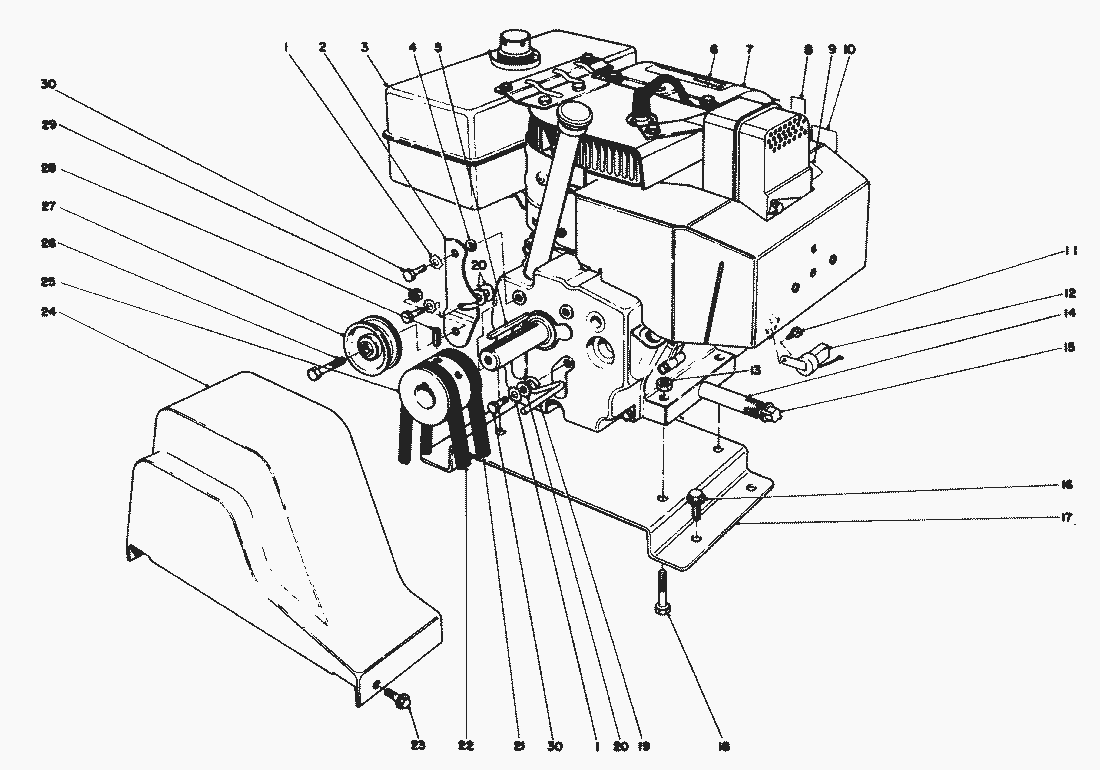
pos.descrizioneNĂºmero de pieza
13255-8
220-1800
352-2670
440-8490
55-0930
674-1170
7
863-3190
953-7680
1039-3850
1132144-4
1241-8601
133296-29
14289-52
15288-2
1632144-69
1737-0320
18322-7
1917-5530
203256-23
2120-1820
2226-9670
2332144-10
2420-1830
2521-4100
26323-8
273-4244
283246-18
293296-59
303210-3
Toro
Condizioni generali di contratto
(C) by motoruf