di nuovo a
>
>
>
>
>
>
>
>
Liste dei pezzi di ricambio per Toro
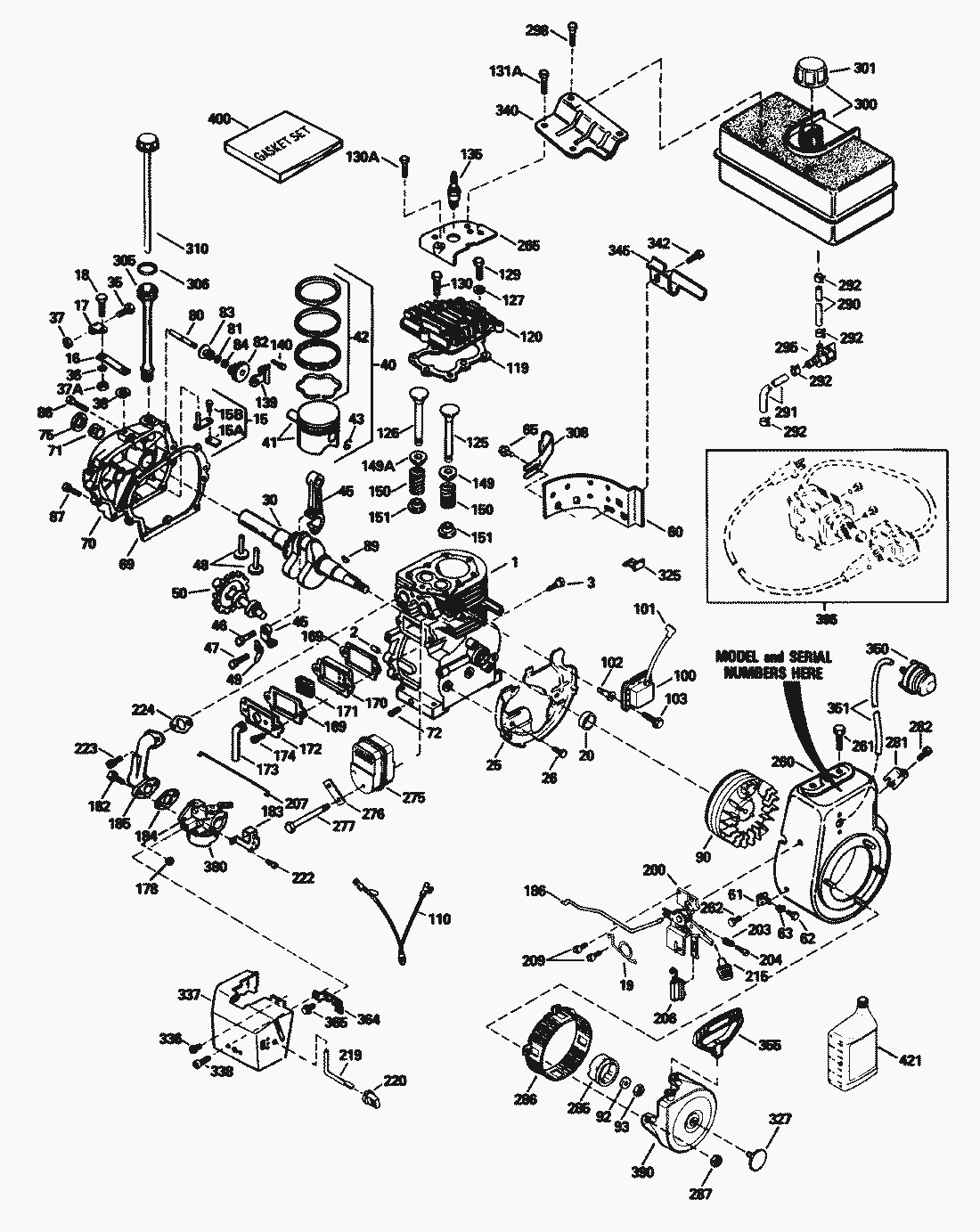
pos.
descrizione
Número de pieza
34156A
632334A
34553
35385
27878A
34330A
35373A
27880A
34331A
34329A
34554
30699C
34036
35378
pos.
descrizione
Número de pieza
2
27652
3
650820
15
30700
15
650494
16
33454
17
29916
18
650548
19
34663
20
35319
25
35326
26
650561
30
35372
35
29826
36
29918
37
29216
37
30322
38
29642
40
34552
42
34332
42
34333
42
34334
43
27888
46
650908
47
650882
48
34034
49
35374
50
35375
60
33273A
61
34126
62
650760
63
28545
65
650128
69
35262
70
35376
71
35377
72
27642
75
35319
80
31845
81
30590A
83
30588A
84
29193
86
650833
87
650832
89
32589
90
611091
92
650880
93
650881
100
35135
101
610118
102
650872
103
650814
110
35253
119
34041A
120
34030
126
34035
127
650691
129
650727
130
6021A
130
650802
131
650713
135
35395
139
33369
140
650836
149
27882
149
35862
150
27881
151
32581
169
27896A
170
28423
171
28424
172
28425
173
35350
174
650128
178
29752
182
30088A
183
34587
184
33263
185
33877
186
34667
200
34677
203
31342
204
650549
206
610973
207
33878
209
650821
215
35440
219
34586
220
35438
222
28820
223
650378
224
27915A
260
34822A
261
650788
262
29747B
265
33272A
275
35056
276
31588
277
792093
281
33013
282
650760
285
35287
286
35446
287
29752
290
29774
291
30705
292
26460
295
35857
298
650665
301
35355
305
35554
306
35499
308
35540
310
35555
325
29443
327
35392
336
650765
337
35057A
338
28942
340
34155
342
650561
345
34154
350
570682
351
32180C
355
590574
364
33377
365
650767
390
590630
395
33329C
400
33279G
421
730226
Toro
Condizioni generali di contratto
(C) by motoruf