di nuovo a
motoruf
Warenkorb

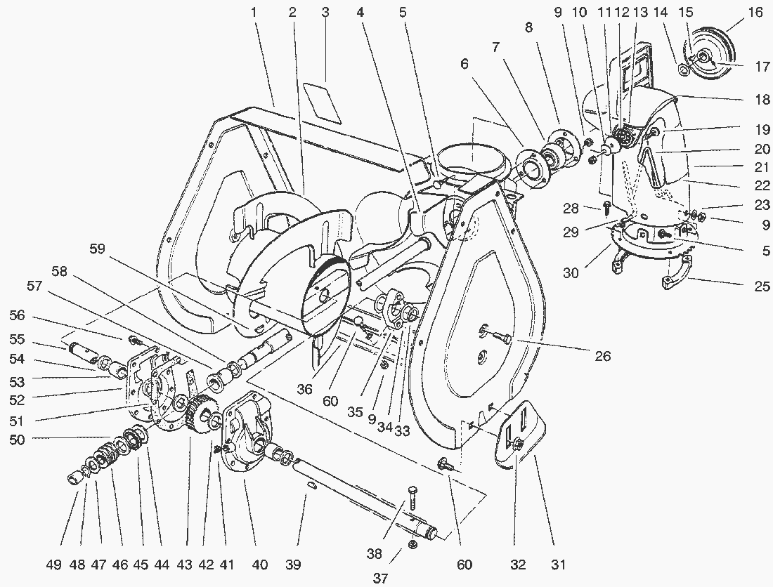
Liste dei pezzi di ricambio per Toro




pos.descrizioneNúmero de pieza
94-2786
94-2785
Liste dei pezzi di ricambio


pos.descrizioneNúmero de pieza
274-1600-03
74-1590
353-7670
94-2568
437-6990-03
53230-18
626-6120
763-3450
826-6110
93296-29
103290-456
113256-68
1255-8950
1320-4320
143-0737
153257-23
1637-6890
173242-4
1856-2680
193230-22
2056-2670
2194-2793
94-2792
2294-8079
94-2558
233256-23
2537-6490
2632144-70
2827-0220
Toro
Condizioni generali di contratto
(C) by motoruf