di nuovo a
motoruf
Warenkorb

Liste dei pezzi di ricambio per Toro




Liste dei pezzi di ricambio


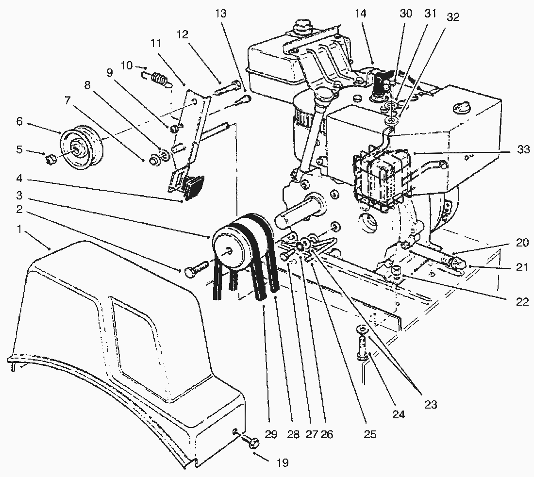
pos.descrizioneNĂºmero de pieza
273210-3
2837-9090
2926-9672
3042-671
313253-17
323256-49
33127-19
Toro
Condizioni generali di contratto
(C) by motoruf