di nuovo a
motoruf
Warenkorb

Liste dei pezzi di ricambio per Toro




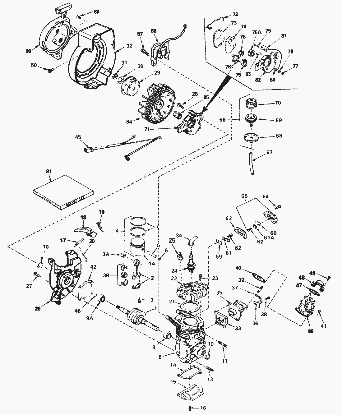
pos.descrizioneNúmero de pieza
34431
632142A
Liste dei pezzi di ricambio


pos.descrizioneNúmero de pieza
77610408
7829181
79610593
8033356
8130548B
82611008
8330549
84611007
85611014
87650814
89632142
90590537
91510264D
Toro
Condizioni generali di contratto
(C) by motoruf