di nuovo a
motoruf
Warenkorb

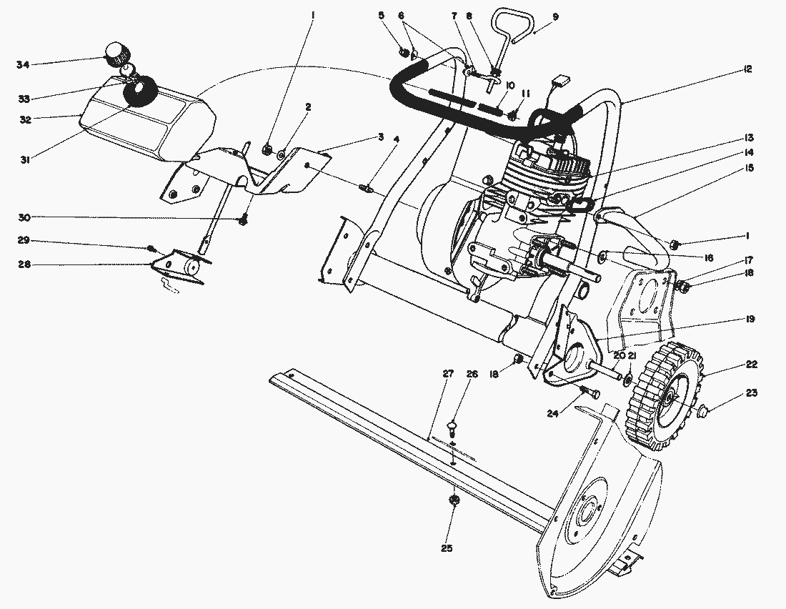
Liste dei pezzi di ricambio per Toro




Liste dei pezzi di ricambio


pos.descrizioneNĂºmero de pieza
132152-4
27-3315
339-8890
438-8710
532111-7
63-7501
73-9278
8237-73
939-0850
1049-2480
112412-33
1233-2120
13221-652
221-670
221-677
1423-3810
1541-8240
164-2390
173256-23
183296-29
1926-6550
2027-0060
213256-24
2223-3250
233290-320
24322-3
2532149-2
263229-1
2723-3170
2839-0840
2912-5450
3012-3270
3125-1610
3239-8670
3320-4620
3442-0680
11-3409
25-9150
Toro
Condizioni generali di contratto
(C) by motoruf