di nuovo a
>
>
>
>
>
>
>
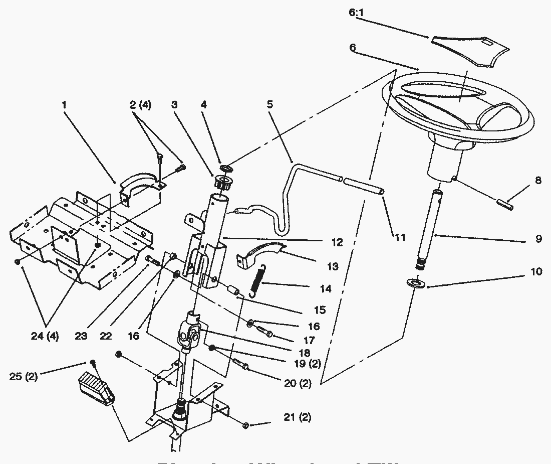
Liste dei pezzi di ricambio per Toro
pos.
descrizione
NĂºmero de pieza
1
92-6777-03
2
321-4
3
93-1146
4
7896
5
92-6971
6
88-3850
6
92-6657
61
88-3870
8
32121-111
9
92-6704
10
3256-28
11
92-6798
12
93-1148-03
13
92-6776
14
93-1357
15
92-6999
16
3256-23
17
322-3
18
92-6717
19
3253-4
20
48-7730
21
3296-29
22
92-6998
23
322-17
24
3296-8
25
32144-8
Toro
Condizioni generali di contratto
(C) by motoruf