di nuovo a
motoruf
Warenkorb

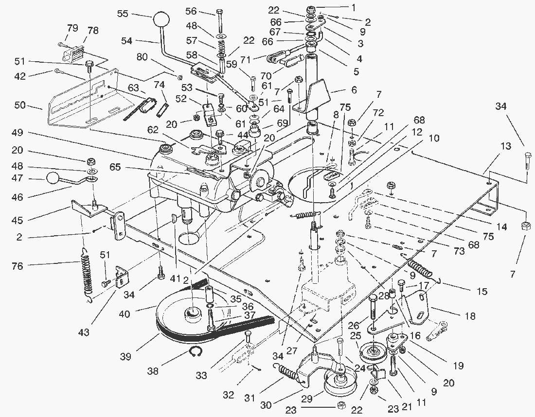
Liste dei pezzi di ricambio per Toro




pos.descrizioneNúmero de pieza
67-0360
67-0540-03
Liste dei pezzi di ricambio


pos.descrizioneNúmero de pieza
13296-39
23272-6
367-0690-03
468-8370
5256-90
73296-29
899-2976
93256-23
1026-6700
11322-6
1232144-49
1376-4090-01
1467-0940
1568-9950
1667-0410
17321-4
1867-0420-03
1967-0400
203296-42
2112-9020
223256-24
233296-59
24323-9
2512-5820
26323-8
28256-155
2956-9870
3067-0330-03
3167-9170
323272-4
33283-67
34322-3
3567-0920
363253-4
37322-10
3832120-64
3967-0900
4082-6450
413257-23
429104784
4367-0750
4432144-70
4567-0600-03
4667-0640
Toro
Condizioni generali di contratto
(C) by motoruf