di nuovo a
motoruf
Warenkorb

Liste dei pezzi di ricambio per Toro




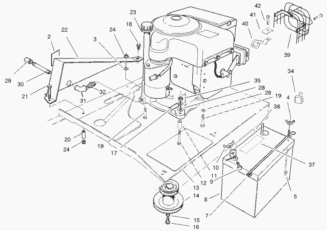
pos.descrizioneNúmero de pieza
94-6427
Liste dei pezzi di ricambio


pos.descrizioneNúmero de pieza
2114621
33256-23
432103-12
556-7720
7117316
8104-1755
9321-4
1032103-22
1180-4560
12322-12
1362-4300
1498-0712
153256-25
1662-3760
1754-3091
1832144-14
19322-7
2067-0920
21322-10
2267-0962-01
23
243296-29
283255-8
29288-2
30289-34
312811-17
322812-1
3428-8080
3532153-3
37104-4163
38104-4164
3994-6426
4094-6425
4194-6424
4232104-76
88-4490
Toro
Condizioni generali di contratto
(C) by motoruf