di nuovo a
motoruf
Warenkorb

Liste dei pezzi di ricambio per Toro




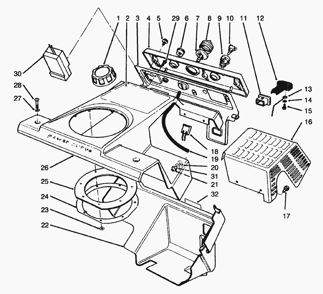
pos.descrizioneNúmero de pieza
12-4659
Liste dei pezzi di ricambio


pos.descrizioneNúmero de pieza
155-3573
277-5220
461-4410
94-2569
532144-112
655-9410
744-2750
866-7460
940-5940
1063-8360
1155-8820
1255-8810
55-8811
1361-4651
143256-49
1532144-111
1655-9210
1732105-8
18218-532
1944-3171
2055-9660
213296-12
2255-8791
233290-474
2455-9540
2555-9260
2694-2795
273256-22
283250-32
2932144-27
30
313256-14
3294-2581
Toro
Condizioni generali di contratto
(C) by motoruf