di nuovo a
motoruf
Warenkorb

Liste dei pezzi di ricambio per Toro




Liste dei pezzi di ricambio


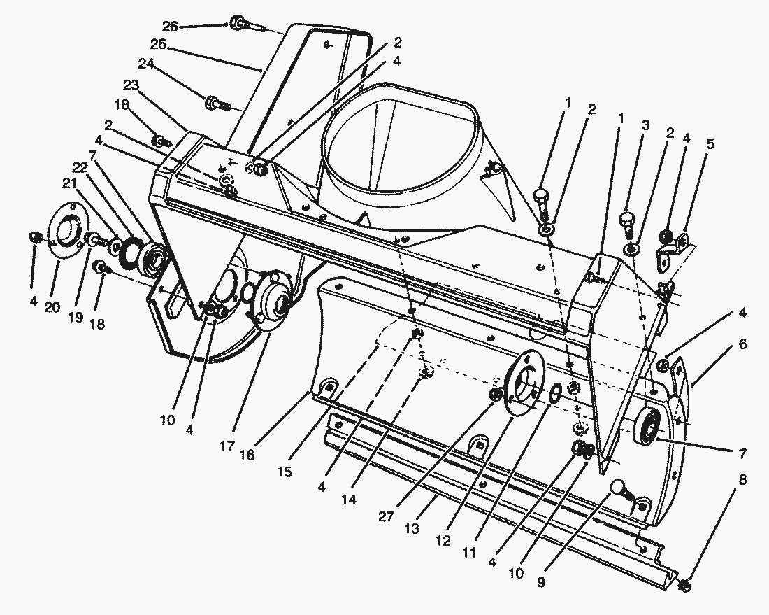
pos.descrizioneNĂºmero de pieza
1321-6
23256-22
3321-4
43296-42
555-9430
656-2610
738-7820
832149-2
93229-11
103256-67
1152-7280
1238-8620
1355-8760
1432128-10
1555-9512
1655-9220
1752-9110
1832105-15
193234-25
2052-7290
213256-24
2252-7270
2355-8700
24322-43
2555-8840
2638-8211
273296-2
Toro
Condizioni generali di contratto
(C) by motoruf