di nuovo a
motoruf
Warenkorb

Liste dei pezzi di ricambio per Toro




Liste dei pezzi di ricambio


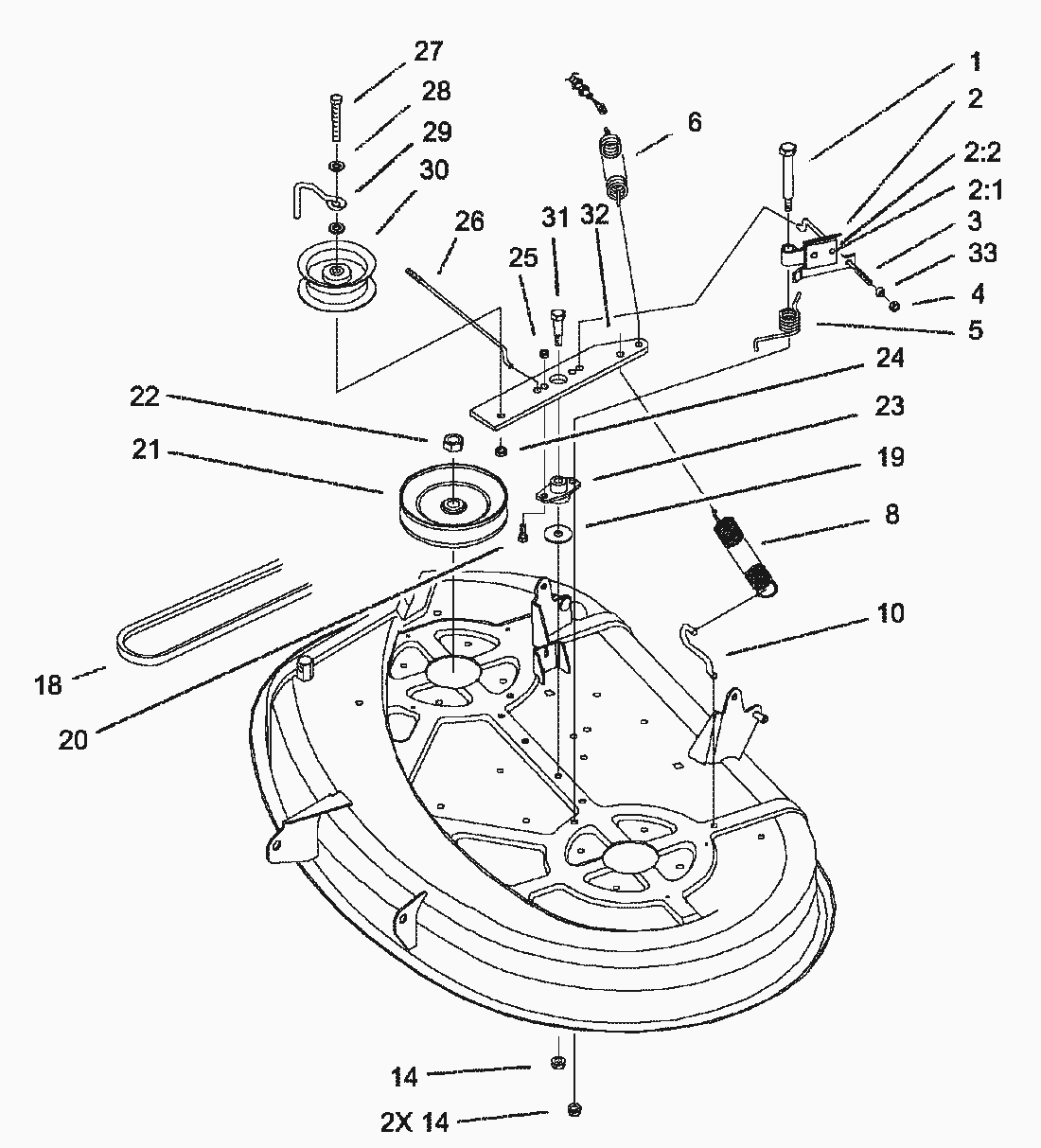
pos.descrizioneNĂºmero de pieza
188-4590
288-6100
213290-282
2256-9830
388-5550
43296-42
588-5910
688-6130
892-8934
1088-5970
143296-58
1888-6250
193256-68
20322-5
2188-5330
223219-6
2388-4980
243296-39
253296-29
2688-5540
27323-12
283256-24
2988-5070
3088-5630
317-0030
3288-4870-03
3367-0710
Toro
Condizioni generali di contratto
(C) by motoruf