di nuovo a
>
>
>
>
>
>
>
>
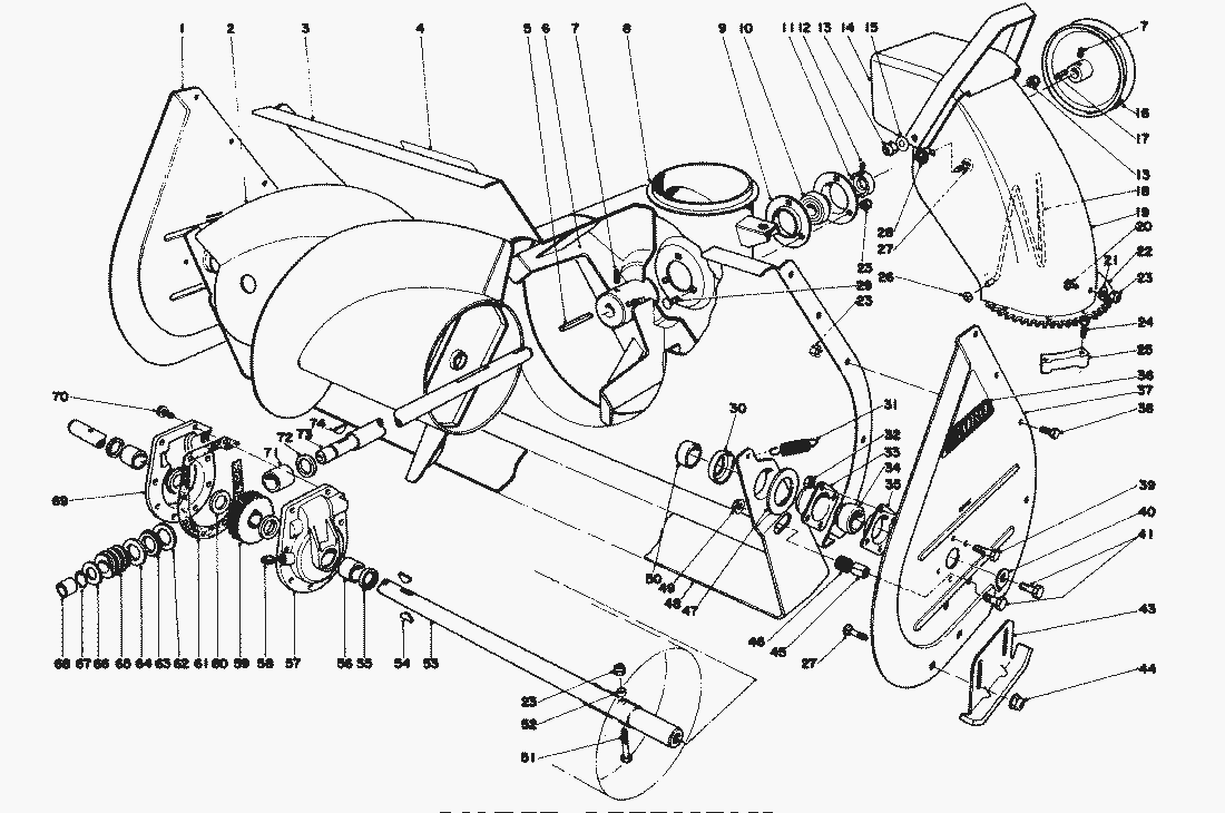
Liste dei pezzi di ricambio per Toro
pos.
descrizione
Número de pieza
37-8860
37-8850
pos.
descrizione
Número de pieza
30
26-6400
31
5-7290
32
32152-4
33
20-0990
34
20-0980
35
20-1000
36
17-6500
37
8-8440
38
322-2
39
321-3
40
3-0750
41
323-6
43
20-2840
44
32128-21
45
25-5140
46
25-5150
47
20-0300
48
19-9160
49
32128-21
50
26-6390
51
17-7030
52
25-5090
53
11-7010
54
3257-33
55
7-0045
56
256-237
58
281-1
59
5-7180
60
252-71
61
19-8520
62
252-78
63
252-76
64
252-77
65
5-7170
66
3-8664
67
32120-72
68
256-32
70
32144-11
71
20-3210
72
237-87
73
19-8540
74
3257-23
25-5280
20-0650
Toro
Condizioni generali di contratto
(C) by motoruf