di nuovo a
>
>
>
>
>
>
>
>
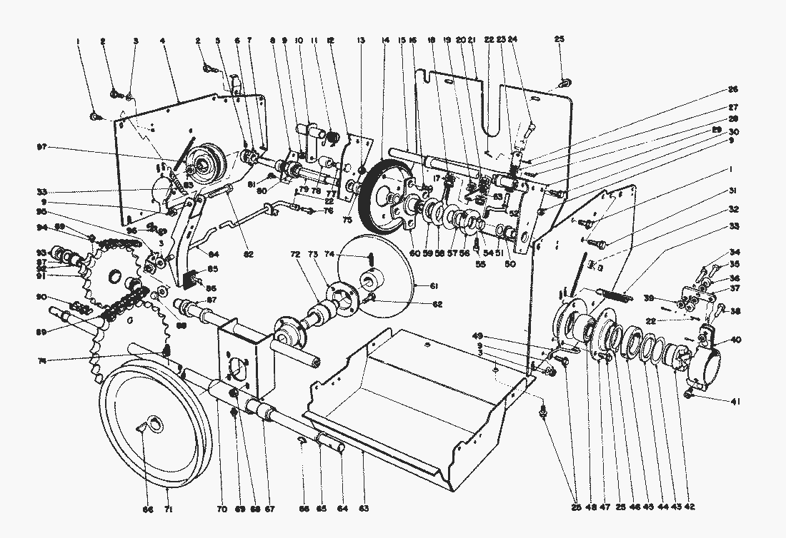
Liste dei pezzi di ricambio per Toro
pos.
descrizione
Número de pieza
25-5190
25-5360
23-7230
pos.
descrizione
Número de pieza
56
20-4610
57
252-71
58
11-8050
59
11-8080
60
20-3310
61
23-4970
62
322-3
63
11-7140
64
26-5950
65
3-0737
66
3257-23
67
256-232
68
32149-1
69
302-5
71
5-7410
72
23-4950
73
10-0070
74
3242-4
75
22-9190
76
283-1
77
7-0846
78
26-8940
79
11-8940
80
251-260
81
12-3270
82
323-8
83
20-0010
85
20-3100
86
3295-23
87
3-8664
88
3290-383
89
23-7260
90
2710-11
92
256-215
93
23-7250
94
5-9430
95
20-2940
96
2710-6
97
3-4244
8-2039
Toro
Condizioni generali di contratto
(C) by motoruf