di nuovo a
motoruf
Warenkorb

Liste dei pezzi di ricambio per Toro




Liste dei pezzi di ricambio


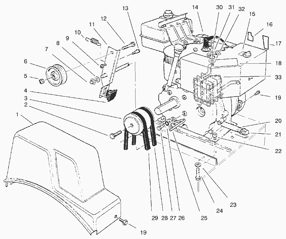
pos.descrizioneNĂºmero de pieza
137-6900
243-7290
374-1370
466-8060
53296-59
63-4244
73290-320
83256-24
93296-56
1053-7570
1114-7959
12323-29
1342-3560
14
1563-2430
1694-2572
1763-2450
1866-6840
94-2576
1932144-4
20289-9
21288-2
223296-29
233256-23
24322-4
2537-8990
263255-8
273210-3
2837-9090
2926-9672
3042-671
3136-180
3236-195-1
33127-19
Toro
Condizioni generali di contratto
(C) by motoruf