.it
Carrello
vuoto
Il mio account
Registrati
Log in
Benvenuti
Contatti
Spedizione
L’azienda
Guest book
Condizioni e Privacy
Catalogare
Tagliare, profilare
Componenti per motore
Officine meccaniche
Parti e componentistica per macchine varie
Forestali
Articoli elettrici
Articoli invernali
Cinghie trapezoidali e relative pulegge
Filters
PEZZI DI RICAMBIO
Sprocket Rims
Guide Bars
Chainsaw Chains
Search by Part Number
Diagrammi ed elenchi
Servizio
Determine Chain
Ricerca
DE
EN
FR
ES
IT
Versione mobile
Viking Aufsitzmäher MT 795 Ricambi
Start
Viking
Aufsitzmäher
Aufsitzmäher
MT 795
MT 795 Aufsitzmäher
Categoria:
−
A - Rahmen
B - Verkleidung
C - Lenkung
D - Bremse und Schalthebel
E - Motor
F - Getriebe
G - Mähwerkaushebung
H - Mähwerk - 1
I - Mähwerk - 2
J - Grasfangkorb
K - Elektrische Bauteile
K1 - Elektrische Bauteile (f. ältere Bauart)
L - Zubehörteile
M - Aufkleber
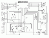
N - Schaltplan
N1 - Schaltplan
N2 - Schaltplan
Gestione della qualità
Aiutaci a migliorare il nostro sito. Informaci se trovi un errore.