.it
Carrello
vuoto
Il mio account
Registrati
Log in
Benvenuti
Contatti
Spedizione
L’azienda
Guest book
Condizioni e Privacy
Catalogare
Tagliare, profilare
Componenti per motore
Officine meccaniche
Parti e componentistica per macchine varie
Forestali
Articoli elettrici
Articoli invernali
Cinghie trapezoidali e relative pulegge
Filters
PEZZI DI RICAMBIO
Sprocket Rims
Guide Bars
Chainsaw Chains
Search by Part Number
Diagrammi ed elenchi
Servizio
Determine Chain
Ricerca
DE
EN
FR
ES
IT
Versione mobile
Viking Aufsitzmäher MT 585 Ricambi
Start
Viking
Aufsitzmäher
Aufsitzmäher
MT 585
MT 585 Aufsitzmäher
Categoria:
−
A - Rahmen
A1 - Rahmen (f. ältere Bauart)
B - Verkleidung
C - Lenkung
D - Bremse und Schalthebel
E - Motor
F - Getriebe
G - Mähwerkaushebung
H - Mähwerk - 1
I - Mähwerk - 2
J - Grasfangkorb - 1
K - Grasfangkorb - 2
L - Elektrische Bauteile
L1 - Elektrische Bauteile (f. ältere Bauart)
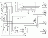
M - Schaltplan
M1 - Schaltplan
M2 - Schaltplan
N - Zubehörteile
O - Aufkleber
Gestione della qualità
Aiutaci a migliorare il nostro sito. Informaci se trovi un errore.