.it
Benvenuti
Contatti
Spedizione
L’azienda
Guest book
Condizioni e Privacy
Catalogare
Tagliare, profilare
Componenti per motore
Officine meccaniche
Parti e componentistica per macchine varie
Forestali
Articoli elettrici
Articoli invernali
Cinghie trapezoidali e relative pulegge
Filters
PEZZI DI RICAMBIO
Sprocket Rims
Guide Bars
Chainsaw Chains
Search by Part Number
Diagrammi ed elenchi
Servizio
Determine Chain
Ricerca
Il mio account
Registrati
Log in
Settings
DE
EN
FR
ES
IT
Desktop
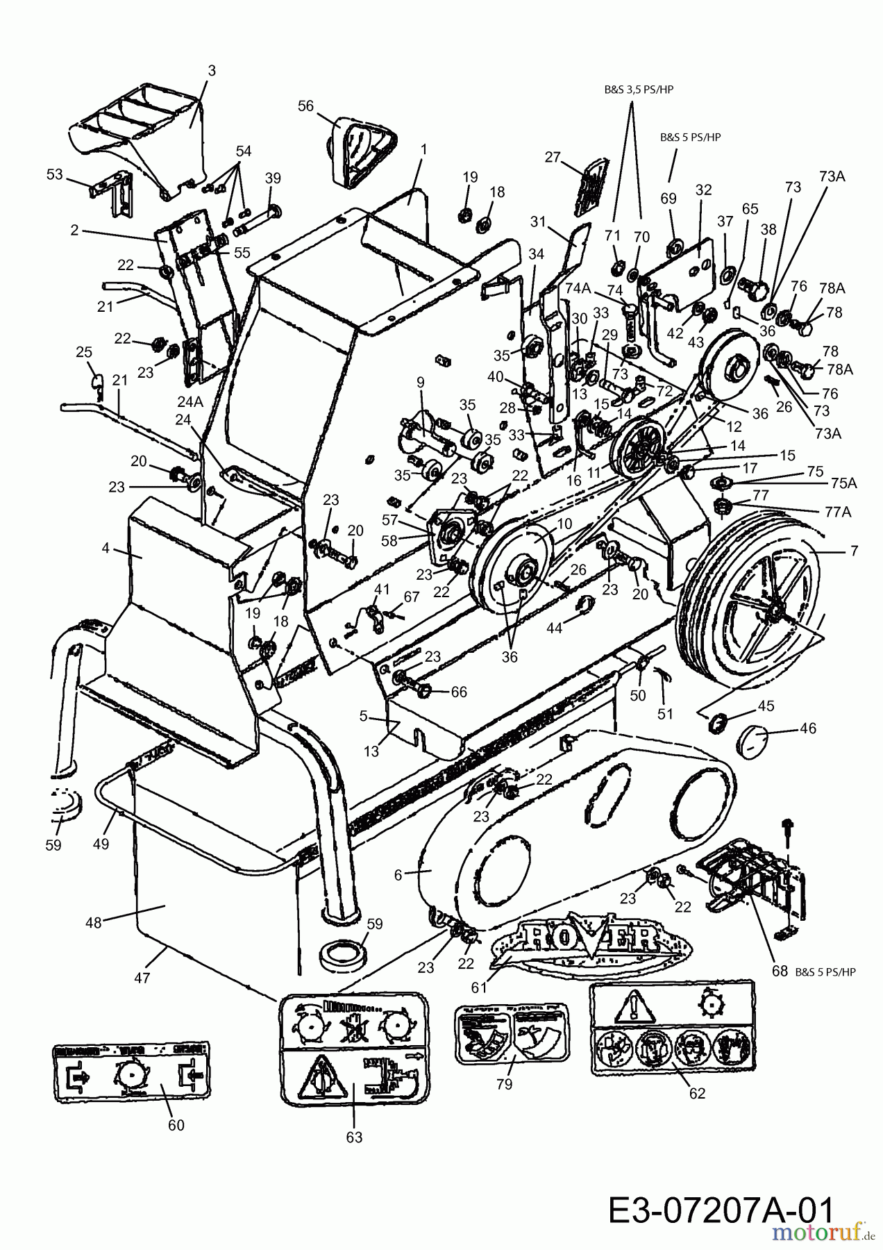
Chipper 898117 (2010) Drive system Ricambi
Start
Chipper
Chip-N-Shred
898117 (2010)
Drive system
Drive system 898117 (2010)
Posizione
Articolo numero
Descrizione
1
A10549
2
R+A10508
CHIPPER TUBE ASSY CE
3
R+A09162
COVER CHIP TUBE 9858/59
4
R+A10482
SUPP.BRKT/LEG ASY 9858/9
5
R+A09147
SKIRT LH CE
6
R+A09124
BELT GUARD 9858/9859
7
A08207
8
R+A09121
PULLEY ASSY.DRIVE
9
A10488
10
R+A09122
ROTOR PULLEY 9858/9859
11
R+A08585
TENSIONING PULLEY
12
R+A09123
BELT MOD 09858/59/62
13
R+A09156
SKIRT R/H CE
14
R+A02474
BUSH 9859/59 & RIDE ONS
15
R+A02033
WASHER FLAT
16
R+A07805
BELT KEEPER BRACKET
17
R+A02008
NUT NYLOC THIN 3/8 UNC(MIN100)
18
R+A02031
USE 736-0300
19
R+A02004
NUT HEX 5/16 UNC
20
R+A02083
SKT SCREW 5/16X3/4 UNC
21
R+A09120
SCREEN ROD 9858/9859
22
R+A02223
NUT 5/16" UNC
23
R+A02030
WASHER
24
R+A09115
SCREEN 9858/9859
24A
R+A10493
BAR SCREEN ASY 9858/9859
25
R+A09141
SPRING CLIP 9858/9859
26
R+A12464
KEY
27
R+A03250
GRIP (DOM)
28
R+A04015
RIVET 09885/58/62
29
R+A1213809K
30
R+A01025
BLADE WASHER STEEL (MIN.100)
31
R+A09140
LEVER-CLUTCH
32
R+A10495
BELT KEEPER ASSY 9858/59
33
R+A02127
SCREW TAPTITE
34
R+A09145
FINGER GUARD 9858/9859
35
R+A09142
SPACER
36
R+A02080
5/16X1/2UNC KNURLED CUP PT
37
R+A02063
WASHER FLAT
38
R+A02129
SETSCREW 1/2X3/4UNF HT HEX
39
R+A04020
BOLT UNC HEX *
40
R+A02229
SCREW HEX UNC CNS/RIDEON
41
R+A03349
CLIP SUPERUTE
42
R+A02209
WASHER FLAT
43
R+A04063
44
R+A02289
CIRCLIP
45
R+A02103
THRUST WASHER
46
A08208
47
R+A10491
MULCH CATCH ASSY 9858/59
48
R+A09158
MULCH BAG 9858/9859
49
R+A09159
FRAME 9858/9859
50
R+A09160
SPREADER TUBE 9858/9859
51
R+A01080
R-PIN RANCHER/LAWN KING
52
R+A02012
WASHER FLAT
53
R+A09183
RESTRICTOR
54
R+A290112
RIVET 73AS 6-4
55
R+A09168
SPRING CHIP TUBE 9858/59
56
R+A09169
SIDE PROTECTION
57
R+A09136
BEARING ROTORSHAFT9858/9
58
R+A09137
BUSHING
59
R+A09172
FOOT 9858/9859
60
R+A09164
LABEL ROT/CLUT LEV 9858/9
61
R+A12507
LABEL ROVER
62
A09179
63
A09182
64
R+A02001
NUT 1/4 UNC HEX STD
65
R+A04075
PLUG,PIPE
66
R+A02209
WASHER FLAT
67
R+A04001
RIVET
68
A10611
69
R+A02063
WASHER FLAT
70
R+A02209
WASHER FLAT
71
R+A02001
NUT 1/4 UNC HEX STD
72
R+A02127
SCREW TAPTITE
73
R+A02030
WASHER
73A
R+A02012
WASHER FLAT
74
R+A1213809
BOLT 5/16 X 1 1/2
74A
R+A04187
75
R+A02012
WASHER FLAT
75A
R+A02012
WASHER FLAT
76
R+A02031
USE 736-0300
77
R+A02256
NUT 5/16 UNF HEX NYLOC
77A
R+A04188
NUT M8
78
R+A3182102
SETSCREW 5/16" X 5/8" 45
78A
R+A04189
79
R+A16375
LABEL SCREEN SELECT.CHIPNSHRED