.it
Carrello
vuoto
Il mio account
Registrati
Log in
Benvenuti
Contatti
Spedizione
L’azienda
Guest book
Condizioni e Privacy
Catalogare
Tagliare, profilare
Componenti per motore
Officine meccaniche
Parti e componentistica per macchine varie
Forestali
Articoli elettrici
Articoli invernali
Cinghie trapezoidali e relative pulegge
Filters
PEZZI DI RICAMBIO
Sprocket Rims
Guide Bars
Chainsaw Chains
Search by Part Number
Diagrammi ed elenchi
Servizio
Determine Chain
Ricerca
DE
EN
FR
ES
IT
Versione mobile
Black Edition 180-107 13AT777G615 (2008) Engine hood 7-Style Ricambi
Start
Black Edition
Lawn tractors
180-107
13AT777G615 (2008)
Engine hood 7-Style
Engine hood 7-Style 13AT777G615 (2008)
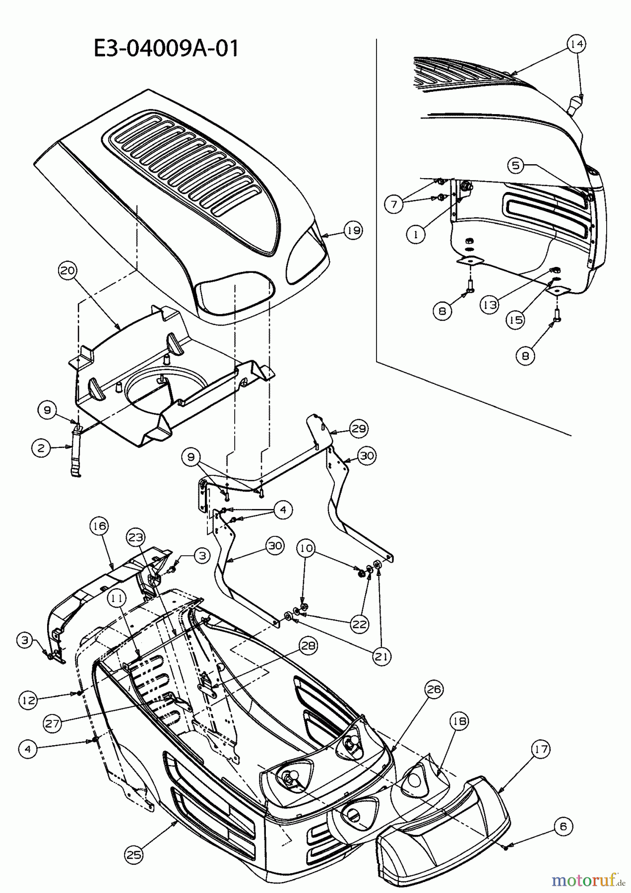
Posizione
Articolo numero
Descrizione
1
683-0195
BRKT ASM:8 STYLE
2
683-04012
BRKT ASM:LATCH HOOD 7 STYLE
3
710-04484
SCR:TT:5/16-18:.750:HXINDWSH
4
710-0599
SCREW:TT:1/4-20:0.500:HXINDWSH
5
710-0604A
SCREW:TT:5/16-18:0.625HXINDWSH
6
710-1237
HEXSCREW:T:10-32:.625:HXINDWSH
7
710-1652
SCR:TT:1/4-20 x.625:HXINDWH
8
710-1681
HHCS:M8-1.25:20.00:GR8.8:STD
9
710-1704
SCR:Sternantrieb:M6x20 WN 1452
10
712-04065
NUT:FLGLK:3/8-16:GRF:NYLON
11
712-0689
NUT:HEX:M6-1:DIN 934
12
712-0691
NUT:HEXLK:M6-1:NYLON:DIN 985
13
712-0692
NUT:HEXLK:M8-1.25 NYLON DIN985
14
725-0963
LAMP:#1156
15
726-0372
NUT:SPD:7MM PUSH ON
16
731-05078C
COLR:DASH:3/T STY LT-5
17
731-1854A
LENS:8 STYLE
18
731-2140
REFL:HDLT:8 STYLE
19
731-2302
HOOD:7 STYLE:BLACK
20
731-2306
PLEN:HOOD:7 STYLE
21
735-0126A
WASH:RUBR;.3850 ID x.87 x.325
22
736-0105
SPRING WASHER .401 x.870 x.063
23
747-04538
ROD:SUPT:8 STYLE LT-5
24
783-0475C
PNL:SD:LH 8 STY
25
783-0476D
PNL:SD:RH 8 STY
26
783-0477A
REWORK ON 783-0477A
27
783-05263
BRKT:MTG:8 STYLE SDPNL RH
28
783-05264
BRKT:MTD:8 STYLE SDPNL LH
29
783-1034
BRKT:HOOD 7 STYLE
30
783-1495
BRKT:HINGE:HOOD:7/8 STY LH/RH
Gestione della qualità
Aiutaci a migliorare il nostro sito. Informaci se trovi un errore.