Il mio account
Settings Desktop

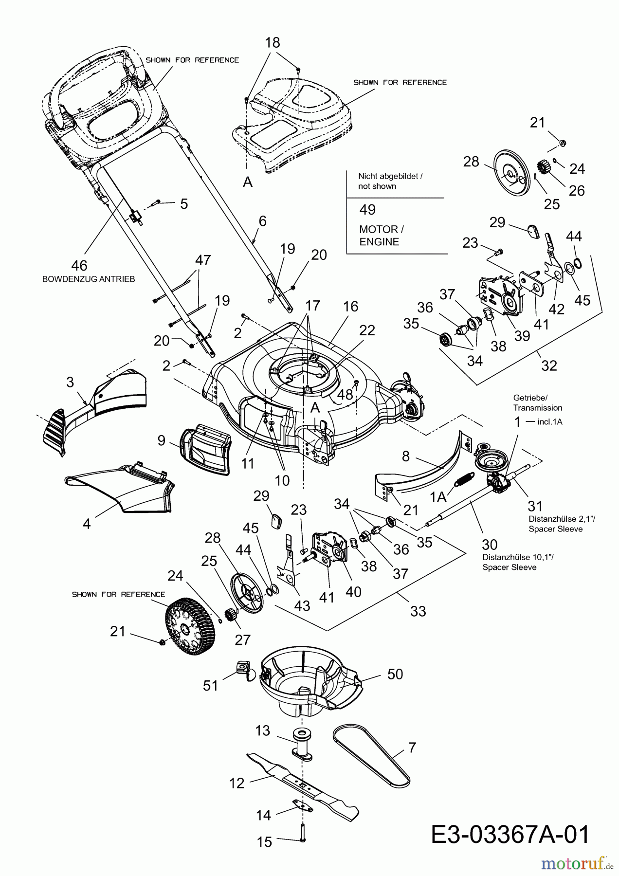
Troy-Bilt TB 6553 HWM 12AD568G609 (2007) Basic machine Ricambi

Basic machine 12AD568G609 (2007)

 Troy-Bilt Petrol mower self propelled TB 6553 HWM 12AD568G609  (2007) Basic machine
PosizioneArticolo numeroDescrizione
1 618-04006TRANSMISSION
1A Troy-Bilt Spring732-04001Spring
2 710-1241SCR:HL:1/4-15:1.000:HXINDWSH
3 731-04150CREAR BAFFLE
4 Troy-Bilt EJECTION FLAP731-04177EJECTION FLAP
5 Troy-Bilt SCR:TT:1/4-20:1.250:HXINDWSH710-0809SCR:TT:1/4-20:1.250:HXINDWSH
6 749-0907BHNDL:LWR:LONG 2-POS
7 Troy-Bilt V-BELT754-0465V-BELT
8 782-5002BFRONT BAFFLE
9 Troy-Bilt PLUG ASM:MULCH:HINGED687-02055PLUG ASM:MULCH:HINGED
10 Troy-Bilt SCREW:TT:1/4-20:0.500:HXINDWSH710-0599SCREW:TT:1/4-20:0.500:HXINDWSH
11 Troy-Bilt WASHER:BLVL:.265 x .750 x .060736-0270WASHER:BLVL:.265 x .750 x .060
12 Troy-Bilt BLADE 21" MULCHING W/STAR742-0741BLADE 21" MULCHING W/STAR
13 Troy-Bilt ADAP:BLADE:21" ONE PIECE748-04015AADAP:BLADE:21" ONE PIECE
14 Troy-Bilt BLADE BELL SUPP. SPRING STEEL736-0524BBLADE BELL SUPP. SPRING STEEL
15 Troy-Bilt HHCS:3/8-24:2.50:GR8:SPEC710-1257HHCS:3/8-24:2.50:GR8:SPEC
16 787-01278638DECK ASM-21" MTD RED
17 Troy-Bilt SCR:TTSEMS:3/8-16:1.000:HXLWSH710-0654ASCR:TTSEMS:3/8-16:1.000:HXLWSH
18 Troy-Bilt FLANGE SCREW .30X.46XTT:#12-24710-1650FLANGE SCREW .30X.46XTT:#12-24
19 Troy-Bilt SCR:CRG:1/4-20:.75:GR5710-0703SCR:CRG:1/4-20:.75:GR5
20 Troy-Bilt NUT:FLGLK:1/4-20:GRF:NYLON712-04064NUT:FLGLK:1/4-20:GRF:NYLON
21 Troy-Bilt NUT:FLGLK:3/8-16:GRF:NYLON712-04065NUT:FLGLK:3/8-16:GRF:NYLON
22 782-9063BRACKET-BELT GUARD
23 710-0216HHCS:3/8-16:.75:GR5:STD
24 716-0865RING-SNAP
25 Troy-Bilt DOWEL PIN:H.G.PROD. 3/16 x 3/4715-0221DOWEL PIN:H.G.PROD. 3/16 x 3/4
26 717-1761GEAR:SPUR:14T LH
27 717-1762GEAR:SPUR:14T RH
28 782-7551ACVR:WHL:DUST
29 Troy-Bilt KNOB:ADJ:HEIGHT720-0426KNOB:ADJ:HEIGHT
30 750-1165SPACER
31 750-1166SPACER
32 687-02193HEIGHT ADJ.ASSY RH
33 687-02194HEIGHT ADJUSTEMENT TUBE ASSY
34 682-0015BEARING
35 732-0708BEARING RETAINER
36 741-0604ABRG:SLEV:.50ID
37 748-0355BEARING SUPPORT
38 Troy-Bilt WASH:WAVE 1.000 x 1.5000 x.029736-0447WASH:WAVE 1.000 x 1.5000 x.029
39 787-01299HEIGHT ADJ. PLATE LH
40 787-01298HEIGHT ADJ. PLATE RH
41 687-02044PLATE ASM-PIVOT HGT ADJ
42 732-0707LH. ADJUSTING LEVER
43 732-0706LEVER-SPRING
44 716-0102RING SNAP:1.00 DIA SHAFT
45 736-0474WASHER
46 Troy-Bilt DRIVE CABLE746-1250DRIVE CABLE
47 726-0240TIE:CBL:3/16:7.0 LG
48 738-1002SCR:SHLDR:.375x.25 AB 1/4-14
49 752B0484B1ENGINE B&S
50 731-06029CVR:400-500 SERIES
51 787-01593BRKT:BAFFLE:ENGINE
Rasen
Bankeinzug, MasterCard, Visa, American Express, PayPal, Nachnahme, Vorauskasse, Sofortüberweisung
Gestione della qualità
Aiutaci a migliorare il nostro sito. Informaci se trovi un errore.