.it
Carrello
vuoto
Il mio account
Registrati
Log in
Benvenuti
Contatti
Spedizione
L’azienda
Guest book
Condizioni e Privacy
Catalogare
Tagliare, profilare
Componenti per motore
Officine meccaniche
Parti e componentistica per macchine varie
Forestali
Articoli elettrici
Articoli invernali
Cinghie trapezoidali e relative pulegge
Filters
PEZZI DI RICAMBIO
Sprocket Rims
Guide Bars
Chainsaw Chains
Search by Part Number
Diagrammi ed elenchi
Servizio
Determine Chain
Ricerca
DE
EN
FR
ES
IT
Versione mobile
White E 660 G 31AE6LLG590 (2007) Discharge chute Ricambi
Start
White
Snow throwers
E 660 G
31AE6LLG590 (2007)
Discharge chute
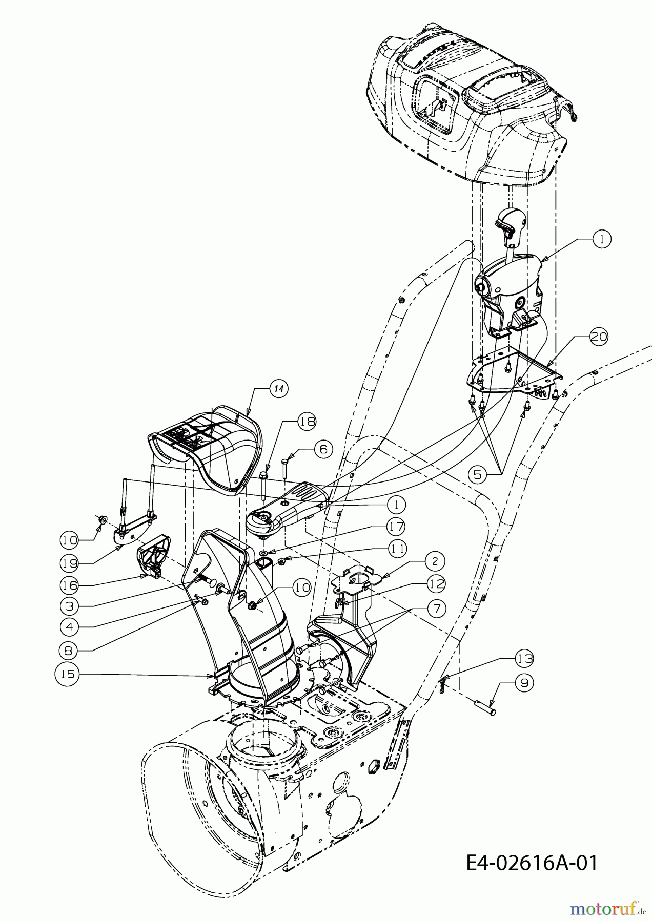
Discharge chute 31AE6LLG590 (2007)
Posizione
Articolo numero
Descrizione
1
684-04116B
CONTROL ASM:CHUTE:4 WAY
2
684-04162B
BRKT ASM:SUPT:CHUTE
3
710-0262
BOLT:CRG:5/16-18:1.50:GR2
4
710-04071
BOLT:CARR:5/16-18:1.000:CUSTOM
5
710-04187
SCH:HL:1/4-15:0.50:HXINDWSH
6
710-0606
SCREW HHCS:1/4-20:1.50:GR5:STD
7
710-0627
SCREW HHCS:5/16-24:.750GR5LOCK
8
710-0895
SCR:HL:1/4-15:0.750:HXINDWSH
9
711-04469A
PIN:CLEVIS:3/8:1.87
10
712-04063
FLANGED NUT 5/16-18:GRF:NYLON
11
712-04064
NUT:FLGLK:1/4-20:GRF:NYLON
12
712-3087
WING NUT
13
714-04040
PIN-COTTER
14
731-04425B
UPPER CHUTE
15
731-04861B
CHUT:LWR:5.0 DIA:BLACK
16
731-1313C
GDE:CBL:CHUTE TILT
17
736-0463
WASH:FLAT: .250 x .630 x .052
18
738-04194
SCR:SHLDR:FLG:.312x1.70x1/4-20
19
784-5594
BRKT:MT:CBL
20
790-00131
BRACKET-JOYSTICK:YARDMAN
Gestione della qualità
Aiutaci a migliorare il nostro sito. Informaci se trovi un errore.