Il mio account
Settings Desktop

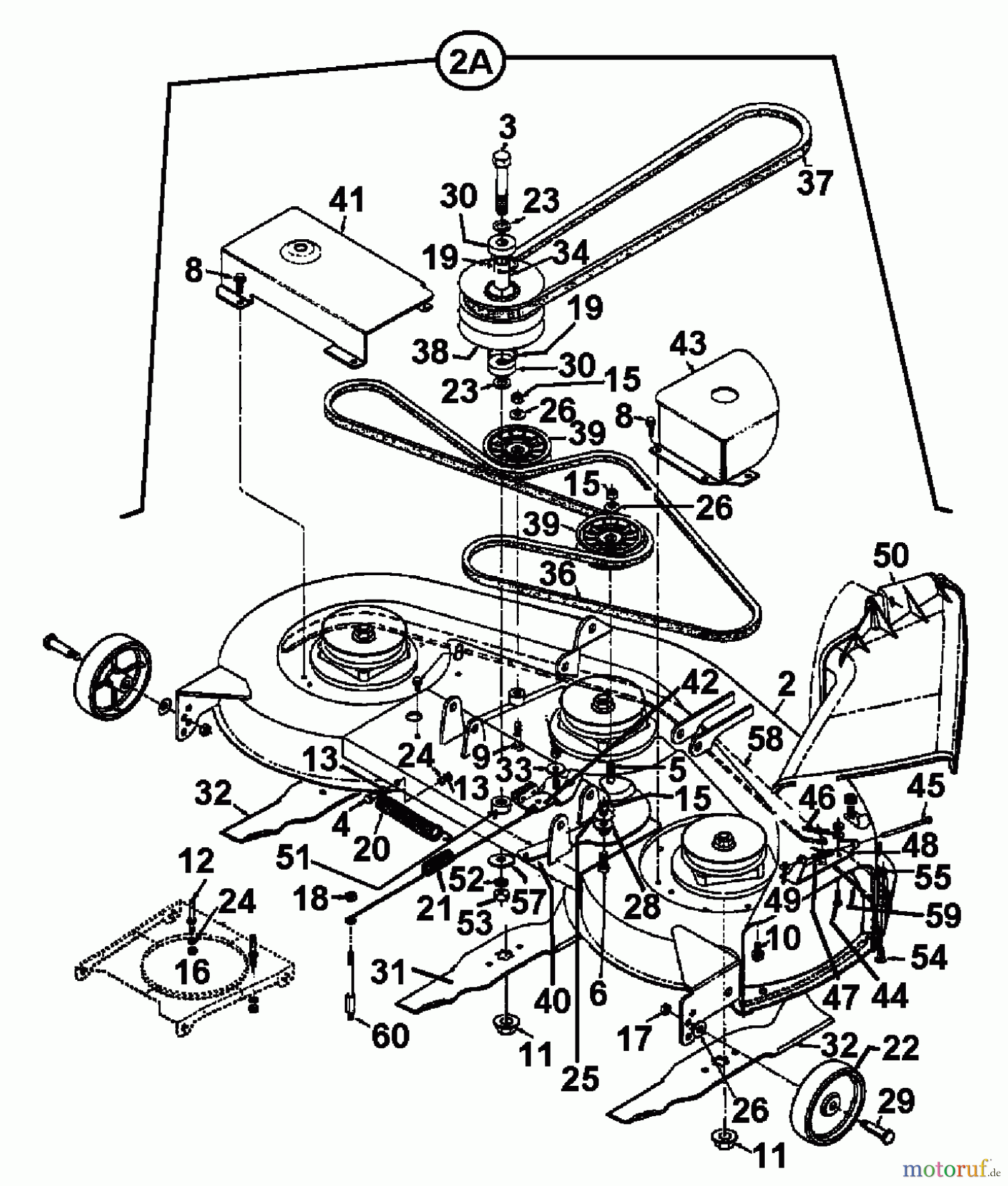
White LT 180 13AT673H680 (2000) Mowing deck H (46"/117cm) Ricambi

Mowing deck H (46"/117cm) 13AT673H680 (2000)

 White Lawn tractors LT 180 13AT673H680  (2000) Mowing deck H (46
PosizioneArticolo numeroDescrizione
1 618-0240BLADE SPINDLE ASSY.
2 683-0120ADECK ASM:46":600 SERVICE
2A 913-06921MÄHDECK VOLLST.46"/117CM
3 710-3151BOLT-HEX
4 710-0428SCREW HHCS:1/4-28:1.25:GR5:STD
5 White HHCS:3/8-24:1.50:GR5:SPEC710-0459AHHCS:3/8-24:1.50:GR5:SPEC
6 White SCREW HHCS:3/8-24:1.00:GR8:STD710-1039SCREW HHCS:3/8-24:1.00:GR8:STD
8 White SCREW:TT:1/4-20:0.500:HXINDWSH710-0599SCREW:TT:1/4-20:0.500:HXINDWSH
9 710-0151HHCS:3/8-24:2.00:GR5:SPEC
10 White SCR:TT:5/16-18:0.750:HXINDWSH710-1260ASCR:TT:5/16-18:0.750:HXINDWSH
11 White NUT:FLG:5/8-18712-0417ANUT:FLG:5/8-18
12 711-0993BELT GUARD PIN Ò1/4 x 1.43
13 712-0138NUT:1/4-28:GRA:HX
14 White NUT:HEXLK:5/16-18:GR5:NYLON712-0429NUT:HEXLK:5/16-18:GR5:NYLON
15 White NUT:HEX:3/8-24:GR5712-0241NUT:HEX:3/8-24:GR5
16 712-3006NUT:HEX:1/4-20:GR5
17 White NUT:JAMLK:3/8-16:GR5712-0181NUT:JAMLK:3/8-16:GR5
18 712-0158NUT:HEXLK:5/16-18:GRA:CTRLK
19 White RING-INTERNAL SNAP716-3020RING-INTERNAL SNAP
20 732-0594ASPR:EXTN: .91 DIA x 7.33
21 732-0723SPRING,EXT.1"
22 734-0973WHEEL:DECK 5.0 X 1.38
23 736-0290WASHER-FL
24 White WASHER:LOCK:1/4:REGULAR DUTY736-0329WASHER:LOCK:1/4:REGULAR DUTY
25 White WASH:BELL:.390 x 1.13 x.062736-0331WASH:BELL:.390 x 1.13 x.062
26 White SPRING WASHER .401 x.870 x.063736-0105SPRING WASHER .401 x.870 x.063
28 White SPCR:SHLDR:.625 ID x.169738-0347SPCR:SHLDR:.625 ID x.169
29 White SCR:SHLDR:.496 x 1.525: 3/8-16738-0373SCR:SHLDR:.496 x 1.525: 3/8-16
30 White BRG:BALL:.625x40x12:6203:DS741-0524BRG:BALL:.625x40x12:6203:DS
31 White BLADE 14.88"LG.742-0645BLADE 14.88"LG.
32 White THREE-IN-ONE BLADE742-0644THREE-IN-ONE BLADE
33 White SHOULDER SPACER:.315DLX1748-0234SHOULDER SPACER:.315DLX1
34 750-0932ASPACER
36 754-0440V-BELT
37 754-0439V-Belt
38 White DOUBLE V-BELT PULLEY 5.0 DIA756-0638DOUBLE V-BELT PULLEY 5.0 DIA
39 White PUL:IDLR:FLAT 3.5 OD756-0627PUL:IDLR:FLAT 3.5 OD
40 783-0046BRACKET-IDLER DECK
41 783-0063AGUARD-BELT
42 White BRAKE ASM:DECK17116BRAKE ASM:DECK
43 17258ACOVER-BELT-RH
44 710-0751HHCS:1/4-20:.620:GR5:STD
45 White PIN-HINGE711-0792PIN-HINGE
46 White WASHER:BLVL:.265 x .750 x .060736-0270WASHER:BLVL:.265 x .750 x .060
47 732-0602SPRING-TORSION
48 703-1693CONNECTING PLATE
49 White CAP SPEED NUT726-0106CAP SPEED NUT
50 731-1032CHUT ASM:DECK
51 750-0960SPACER-PULLEY
52 White WASHER:LOCK:5/8:SPLT:REG736-0158WASHER:LOCK:5/8:SPLT:REG
53 712-0337NUT-HEX
54 710-0167SCR:CRG:1/4-20:.50:
55 White NUT:SEMS:1/4-20712-0271NUT:SEMS:1/4-20
57 736-3088WASHER,FLAT
58 783-0141CENTER DECK SKIRT
59 783-0142R.H. DECK SKIRT
60 738-0999BOLT SPINDLE
61 16606BRKT:HOOK:RETAINER
62 White NUT:FLGLK:1/4-20:GRF712-3027NUT:FLGLK:1/4-20:GRF
Rasen
Bankeinzug, MasterCard, Visa, American Express, PayPal, Nachnahme, Vorauskasse, Sofortüberweisung
Gestione della qualità
Aiutaci a migliorare il nostro sito. Informaci se trovi un errore.