.it
Carrello
vuoto
Il mio account
Registrati
Log in
Benvenuti
Contatti
Spedizione
L’azienda
Guest book
Condizioni e Privacy
Catalogare
Tagliare, profilare
Componenti per motore
Officine meccaniche
Parti e componentistica per macchine varie
Forestali
Articoli elettrici
Articoli invernali
Cinghie trapezoidali e relative pulegge
Filters
PEZZI DI RICAMBIO
Sprocket Rims
Guide Bars
Chainsaw Chains
Search by Part Number
Diagrammi ed elenchi
Servizio
Determine Chain
Ricerca
DE
EN
FR
ES
IT
Versione mobile
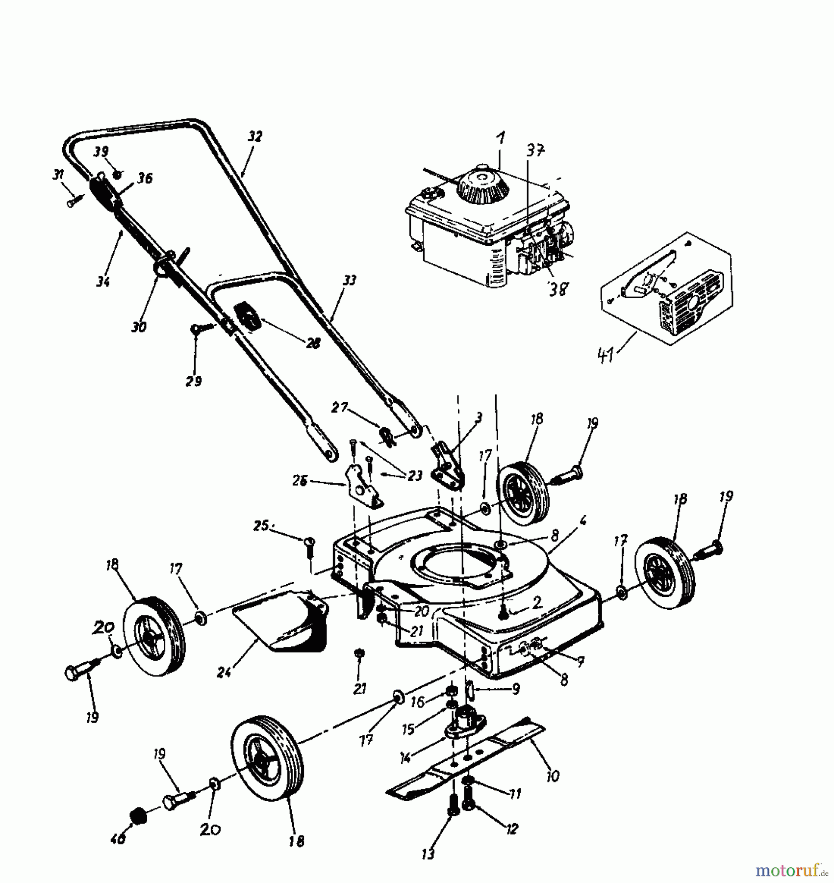
Nizza NIZZA 40 118-0081 (1988) Basic machine Ricambi
Start
Nizza
Petrol mower
NIZZA 40
118-0081 (1988)
Basic machine
Basic machine 118-0081 (1988)
Posizione
Articolo numero
Descrizione
2
710-0654
3
10960
4
11922
7
712-0342
NUT-HEX CENTER L-JAM
8
736-0258
WASHER:FLAT:.385 x 1.0 x.135
9
714-0365
KEY-HI-PRO
10
742-0118
BLADE-15IN
11
736-0217
WASHER:LOCK:3/8:HEAVY DUTY
12
710-0191
HHCS:3/8-24:1.25:GR8:SPEC
13
710-0888
HEX SCR SPECIAL
14
748-2000
MESSERMITNEHMER M.KEIL
15
736-0119
WASHER:LOCK:5/16:SPLT:REG
16
712-0123
NUT:HEX:5/16-24:GR2
17
736-0219
WASH:BELL:.389 x 1.120 x.030
18
734-2060
19
738-2042
AXLE BOLT
20
736-0108
WASH-FLAT:.510 x.750 x.033
21
712-0107
NUT-HEX CENTER L
23
710-0252
SCREW-HEX
24
11928
BAFFLE
25
710-0286
SCREW
26
10961
27
714-0474
PIN:COTTER 1/8 OD x.75
28
09966
29
710-0405
USE 710-1174
30
731-2036
TIE-PLASTIC
31
710-0606
SCREW HHCS:1/4-20:1.50:GR5:STD
32
749-2033
HANDLE-UPPER
33
749-2032
USE 749-0928-0637
36
746-2010
37
751-0442
CLAMP-CONDUIT
38
710-0429
HEX B-TAPP SCR #10 X .38"
39
712-0107
NUT-HEX CENTER L
40
731-2050
HUB-CAP
Gestione della qualità
Aiutaci a migliorare il nostro sito. Informaci se trovi un errore.