.it
Benvenuti
Contatti
Spedizione
L’azienda
Guest book
Condizioni e Privacy
Catalogare
Tagliare, profilare
Componenti per motore
Officine meccaniche
Parti e componentistica per macchine varie
Forestali
Articoli elettrici
Articoli invernali
Cinghie trapezoidali e relative pulegge
Filters
PEZZI DI RICAMBIO
Sprocket Rims
Guide Bars
Chainsaw Chains
Search by Part Number
Diagrammi ed elenchi
Servizio
Determine Chain
Ricerca
Il mio account
Registrati
Log in
Settings
DE
EN
FR
ES
IT
Desktop
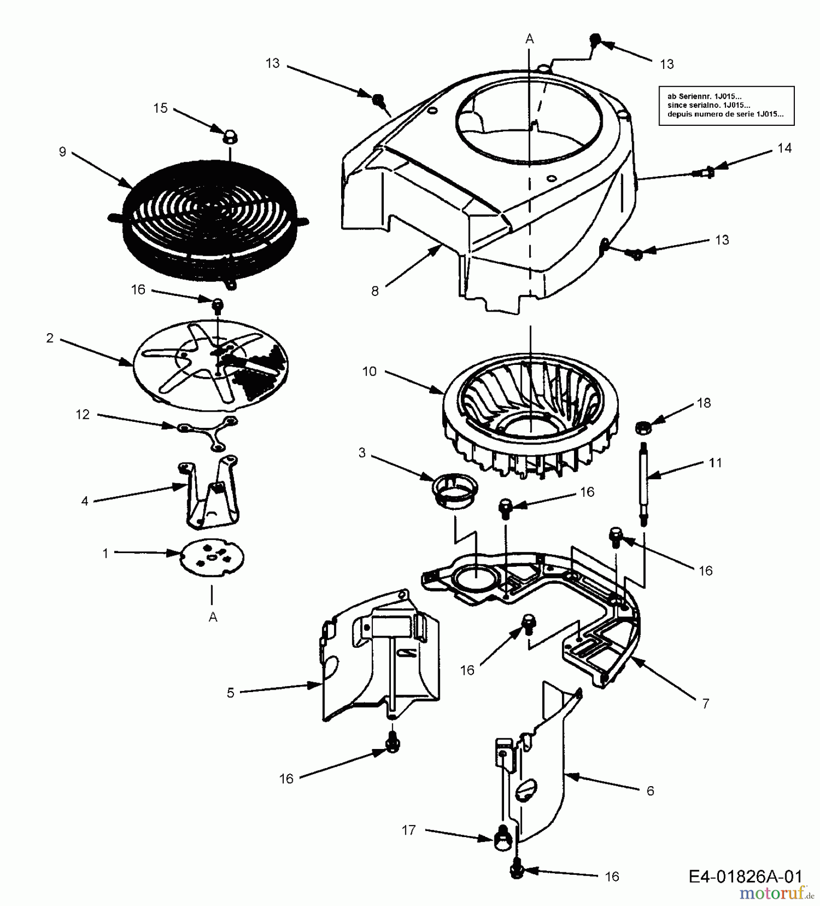
Cub Cadet RZT 50 17AA5D7P603 (2006) Fan housing, Fan Ricambi
Start
Cub Cadet
Zero Turn
RZT 50
17AA5D7P603 (2006)
Fan housing, Fan
Fan housing, Fan 17AA5D7P603 (2006)
Posizione
Articolo numero
Descrizione
1
KM132707007
PLATE
2
KM1403770089H
washer
3
KM140917002
Cover
4
KM230627005
BRACKET
5
KM490897004
COVER
6
KM490897005
COVER
7
KM-49089-7040
8
KM590667004
HOUSING ASSY-BLOWER
9
KM550207007
Flywheel screen
10
KM590417003
FAN
11
KM920047006
PIN
12
KM920267007
SPACER
13
KM921537007
BOLT-FLANGED
14
KM921537008
BOLT
15
KM922100003
Nut
16
KM130B0612
BOLT,FLANGED
17
KM130B0816
BOLT THRU
18
KM311B0600
315B1000/KM-315B1000
Gestione della qualità
Aiutaci a migliorare il nostro sito. Informaci se trovi un errore.