.it
Carrello
vuoto
Il mio account
Registrati
Log in
Benvenuti
Contatti
Spedizione
L’azienda
Guest book
Condizioni e Privacy
Catalogare
Tagliare, profilare
Componenti per motore
Officine meccaniche
Parti e componentistica per macchine varie
Forestali
Articoli elettrici
Articoli invernali
Cinghie trapezoidali e relative pulegge
Filters
PEZZI DI RICAMBIO
Sprocket Rims
Guide Bars
Chainsaw Chains
Search by Part Number
Diagrammi ed elenchi
Servizio
Determine Chain
Ricerca
DE
EN
FR
ES
IT
Versione mobile
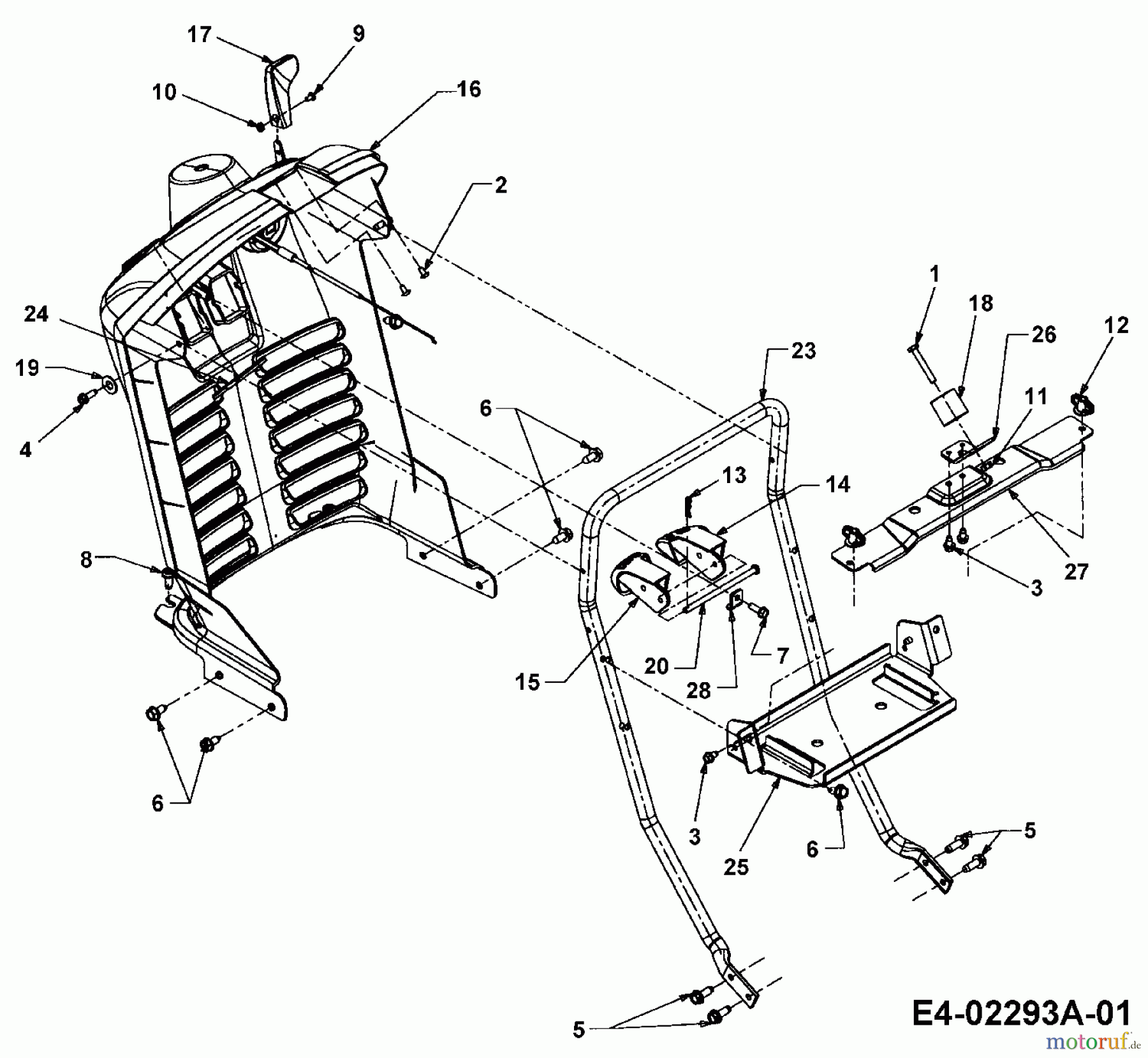
Cub Cadet CC 1527 13A-241G603 (2003) Dashboard Ricambi
Start
Cub Cadet
Lawn tractors
CC 1527
13A-241G603 (2003)
Dashboard
Dashboard 13A-241G603 (2003)
Posizione
Articolo numero
Descrizione
1
710-0136
HHCS:1/4-20:1.75:GR5:STD
2
710-0192
SCR:MACH:#10-24:0.375:TRUSPHI
3
710-0599
SCREW:TT:1/4-20:0.500:HXINDWSH
4
710-0642
SCR:TT:1/4-20:.750:HXINDWSH
5
710-0650
SCR:TT:5/16-18:0.875:HXINDWSH
6
710-0726
SCR:AB:5/16-12:0.750:HXINDWSH
7
710-0895
SCR:HL:1/4-15:0.750:HXINDWSH
8
710-1611B
SCR:TT:5/16-18:0.750:PANTRXI
9
710-3217
SCR:MACH:#8-32:0.375:TRUSPHI
10
712-0142
NUT:HEX:#8-32:GRA
11
712-0271
NUT:SEMS:1/4-20
12
712-0397
WING NUT
13
714-0104
PIN:COT:.072 DIA x 1.13 LG
14
731-04293
15
731-04294
16
731-2615
Instrument panel
17
731-3161A
KNOB:THROT CONTROL
18
731-3232
ROLLER,HOOD LATCH
19
736-0300
WASH:FLAT:.406 X .875 X.059
20
747-1323A
ROD:.250 DIA x 4.55 LG
21
747-2130
PIVOT BAR SIDE PLATE LEFT
22
747-2131
HITCH TUBE,L.H.
23
749-04000A
BRKT:MT:HOLD DOWN ROD
24
783-0462
LOCK
25
783-1447
TRAGPLATTE-BATTERIE
26
783-1448A
BRKT:PIVOT:HOOD
27
783-1449
HALTEPLATTE OBEN - BATTERIE
28
783-1499
BRACKET:ROD:DASH CUB 1500
Gestione della qualità
Aiutaci a migliorare il nostro sito. Informaci se trovi un errore.