.it
Benvenuti
Contatti
Spedizione
L’azienda
Guest book
Condizioni e Privacy
Catalogare
Tagliare, profilare
Componenti per motore
Officine meccaniche
Parti e componentistica per macchine varie
Forestali
Articoli elettrici
Articoli invernali
Cinghie trapezoidali e relative pulegge
Filters
PEZZI DI RICAMBIO
Sprocket Rims
Guide Bars
Chainsaw Chains
Search by Part Number
Diagrammi ed elenchi
Servizio
Determine Chain
Ricerca
Il mio account
Registrati
Log in
Settings
DE
EN
FR
ES
IT
Desktop
Cub Cadet HDS 3200 14A-652-603 (2002) Hydrostatic gearbox Ricambi
Start
Cub Cadet
Garden tractors
HDS 3200
14A-652-603 (2002)
Hydrostatic gearbox
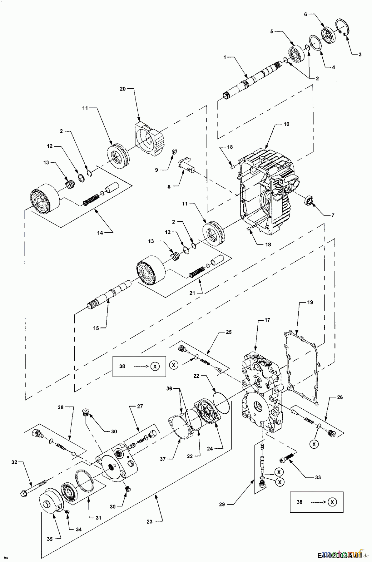
Hydrostatic gearbox 14A-652-603 (2002)
Posizione
Articolo numero
Descrizione
1
HG-51206
SHAFT-PUMP SPLINED ADAPTER END
2
HG-2000022
Circlip
3
HG-2000038
STOPPING RING
4
HG-2000023
SPACER
5
HG-2000032
BEARING-THRUST
6
HG-2000036
SEAL,LIP
7
HG-2000037
SEAL-OIL
8
HG-2000014
ARM,TRUNNION
9
HG-2000015
GUIDE-SLOT
10
HG-2510097
HOUSING
11
HG-50552
THRUST BEARING
12
HG-2000024
WASHER
13
HG-2000025
Spring
14
HG-2510014
KIT,PUMP CYLINDER BLOCK
15
HG-2000007
SHAFT-MOTOR
17
HG-2510098
COVER
18
HG-50641
PIN-LOCK
19
HG-2000061
GASKET,CENTER SECTION
20
HG-50203
TRAY
21
HG-2510013
CYLINDER BLOCK ASSY.
22
90041001430
O-RING
23
HG-2510083
PUMP KIT-AUX CHARGE
24
HG-50761
GEROTOR ASSY-HOUSING
25
HG-2510050
KIT, CHECK VALVE
26
HG-2510034
KIT, ORIFICED CHECK VALVE
27
HG-2510081
RELIEF KIT-CHECK
28
HG-2510082
VALVE KIT-AUX RELIEF
29
HG-2510012
KIT, BYPASS VALVE
30
9005110-4400
PLUG-CUP
31
HG-2510090
FILTER KIT-AUXILIARY
32
HG-50969
SCREW-SELF TAPPING
33
90073140808
SCREW,SOCKET HEAD CAP
34
9005110-3100
PLUG-CUP
35
HG-50994
COVER-FILTER
36
HG-50408
PIN, CLEVIS 1/4 x 5/8
37
HG-2000044
SHIM,CHARGE PUMP
38
HG-2510010
KIT,OVERHAUL SEAL
Gestione della qualità
Aiutaci a migliorare il nostro sito. Informaci se trovi un errore.