.it
Benvenuti
Contatti
Spedizione
L’azienda
Guest book
Condizioni e Privacy
Catalogare
Tagliare, profilare
Componenti per motore
Officine meccaniche
Parti e componentistica per macchine varie
Forestali
Articoli elettrici
Articoli invernali
Cinghie trapezoidali e relative pulegge
Filters
PEZZI DI RICAMBIO
Sprocket Rims
Guide Bars
Chainsaw Chains
Search by Part Number
Diagrammi ed elenchi
Servizio
Determine Chain
Ricerca
Il mio account
Registrati
Log in
Settings
DE
EN
FR
ES
IT
Desktop
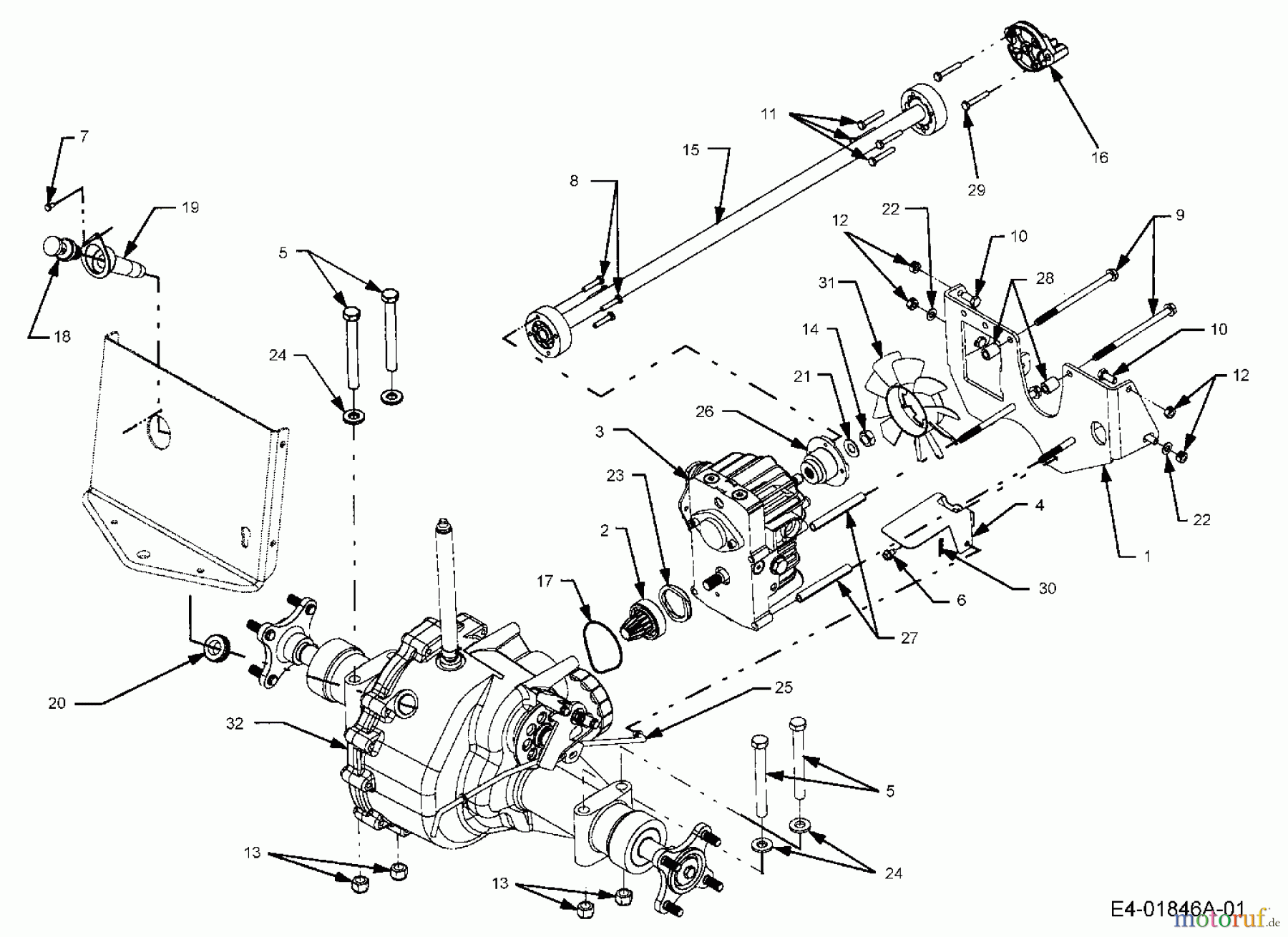
Cub Cadet HDS 2205 14A-2D7-603 (2005) Gearbox, Hydrostatic gearbox Ricambi
Start
Cub Cadet
Garden tractors
HDS 2205
14A-2D7-603 (2005)
Gearbox, Hydrostatic gearbox
Gearbox, Hydrostatic gearbox 14A-2D7-603 (2005)
Posizione
Articolo numero
Descrizione
1
603-0707
2
617-3002
3
618-3243
PUMP-HYDROSTATIC
4
703-4093
ARM BLADE ANGLE
5
710-0465
SCREW-HEX
6
710-0599
SCREW:TT:1/4-20:0.500:HXINDWSH
7
710-0919
HEX. SCREW B:#10-16:0440:HEX
8
710-1062
HHCS:1/4-20:1.25:GR5:LOCK
9
710-1888
10
710-3008
SCREW HHCS:5/16-18:.75:GR5:STD
11
710-3288
SCRE.HHCS:1/4-20:1.62:GR5:LOCK
12
712-3009
NUT:HEXLK:5/16-18:GRB:CTRLK
13
712-3058
NUT-HEX CENTER LOCK 1/2-20
14
712-3059
USE 712-0375
15
718-3143
DRIVE SHAFT
16
719-3096
ADAPTER
17
721-0519
Gasket
18
727-3195
DIPSTICK TRANSMISSION
19
731-3294
HOLDER-DIPSTICK
20
735-0277A
GROMMET-RUBBER 3000 SERIES
21
736-0253
WASH:BLVL:.525 x 1.000 x.050
22
736-0275
WASH:FLAT:.344 x .688 x.065
23
736-0619
LOCK WASHER
24
736-3019
WASHER:FLAT:.531x1.062x.134:HD
25
747-3417
26
748-3093
ADAPTER
27
750-3349
28
750-3350
29
KH-24-086-16
SCREW,HEX FLANGE
30
714-0104
PIN:COT:.072 DIA x 1.13 LG
31
731-3297
FAN,10 BLADE COOLING
32
618-04176
TRANSMISSION CPL. 2500
Gestione della qualità
Aiutaci a migliorare il nostro sito. Informaci se trovi un errore.