.it
Carrello
vuoto
Il mio account
Registrati
Log in
Benvenuti
Contatti
Spedizione
L’azienda
Guest book
Condizioni e Privacy
Catalogare
Tagliare, profilare
Componenti per motore
Officine meccaniche
Parti e componentistica per macchine varie
Forestali
Articoli elettrici
Articoli invernali
Cinghie trapezoidali e relative pulegge
Filters
PEZZI DI RICAMBIO
Sprocket Rims
Guide Bars
Chainsaw Chains
Search by Part Number
Diagrammi ed elenchi
Servizio
Determine Chain
Ricerca
DE
EN
FR
ES
IT
Versione mobile
Cub Cadet TWT 550 00026.07 (1997) Hood, Lower handle Ricambi
Start
Cub Cadet
Multi purpose two wheel tractor
TWT 550
00026.07 (1997)
Hood, Lower handle
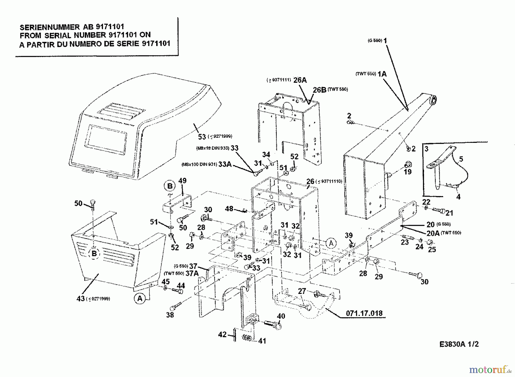
Hood, Lower handle 00026.07 (1997)
Posizione
Articolo numero
Descrizione
1
071.05.829
Lower handle
1A
071.05.839
UNTERHOLM VOLLST.
2
000.13.066
Cabel holder
3
071.59.907
BOLT
4
000.17.010
PIN-COTTER
5
R80.29.057
SEIL 3 MM
19
082.23.002
GUIDANCE
20
071.59.026
Support
20A
071.59.053
SLEEVE HITCH BRACKET ASSEMBLY
21
21.1441.70
Screw
22
24.8195.56
SPRING LOCK WASHER/DIA 8
23
23.2441.39
Stud
24
24.8195.56
SPRING LOCK WASHER/DIA 8
25
24.1421.18
Nut
26
071.46.812
Front support
26A
071.46.819
FRONTANBAURAHMEN VOLLST.
26B
071.46.824
FRONTANBAURAHMEN VOLLST.
27
22.3419.12
Screw
28
24.6481.18
WASHER 8.4 DIN125
29
24.1426.14
NYL-STOP-NUT M6 DIN985-8
30
22.3419.25
Screw
31
24.8195.56
SPRING LOCK WASHER/DIA 8
32
24.1421.18
Nut
33
21.1441.69
Screw
33A
21.1443.87
Screw
34
24.6481.18
WASHER 8.4 DIN125
37
071.59.814
Bracket
37A
071.59.830
KUPPELBUEGEL VOLLST.
38
21.1441.72
Screw
39
24.1426.18
NYL STOP NUT M5 DIN 985-8
40
071.59.817
LOCK BOLT
41
000.30.232
COMPRESSION SPRING
42
25.3197.98
Spring pin
43
071.46.013
Front chassis
44
21.1441.45
SCREW M6X18 DIN 933
45
24.8195.54
Lock washer
48
000.75.038
Cable holder
49
071.46.026
Bracket
50
21.1441.46
SCREW HEX M5x12 DIN 933-8.8
51
24.6486.16
Washer
52
24.1426.14
NYL-STOP-NUT M6 DIN985-8
53
071.46.811
HOOD
Gestione della qualità
Aiutaci a migliorare il nostro sito. Informaci se trovi un errore.