.it
Carrello
vuoto
Il mio account
Registrati
Log in
Benvenuti
Contatti
Spedizione
L’azienda
Guest book
Condizioni e Privacy
Catalogare
Tagliare, profilare
Componenti per motore
Officine meccaniche
Parti e componentistica per macchine varie
Forestali
Articoli elettrici
Articoli invernali
Cinghie trapezoidali e relative pulegge
Filters
PEZZI DI RICAMBIO
Sprocket Rims
Guide Bars
Chainsaw Chains
Search by Part Number
Diagrammi ed elenchi
Servizio
Determine Chain
Ricerca
DE
EN
FR
ES
IT
Versione mobile
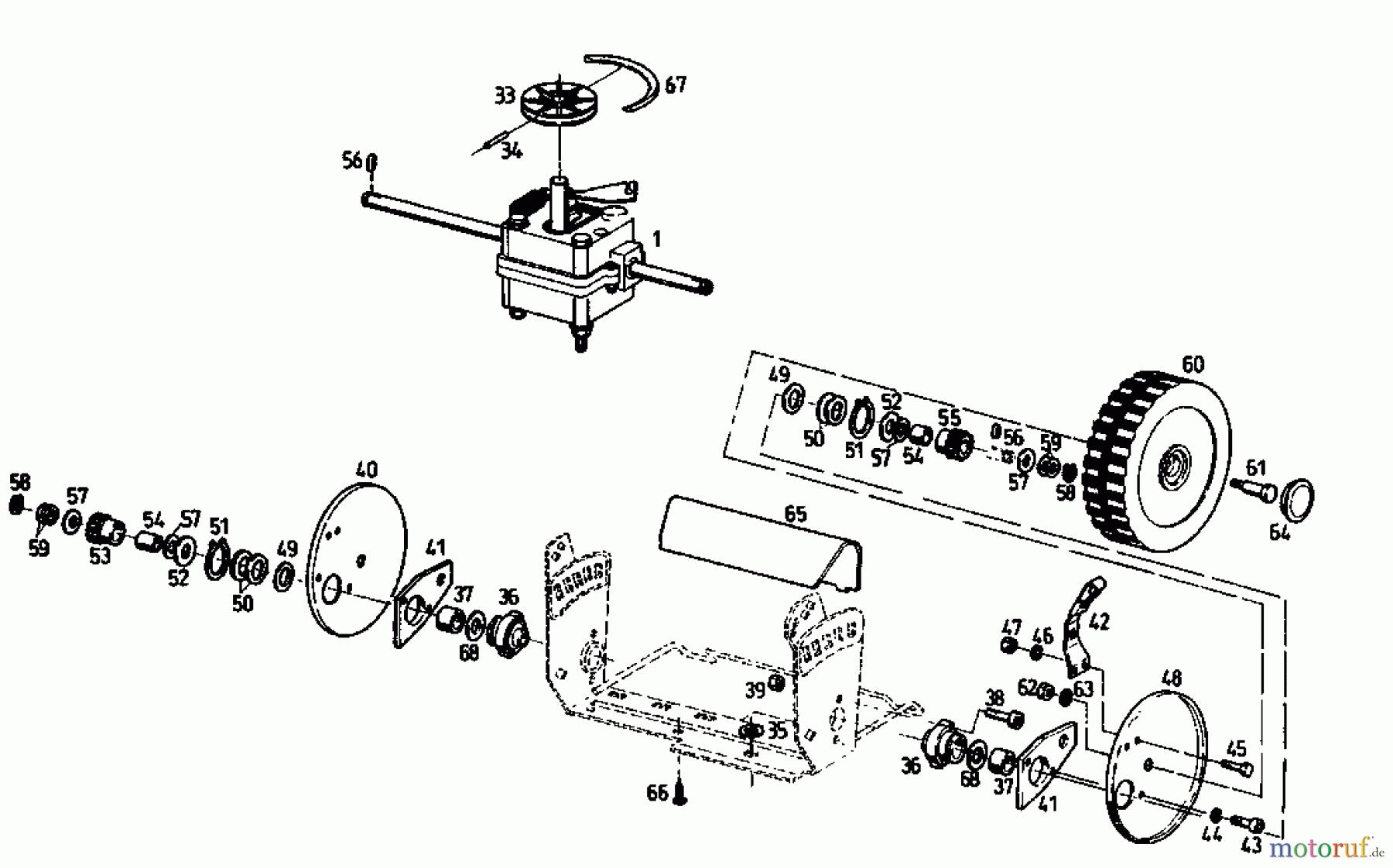
Golf 445 HR 4 04011.05 (1992) Gearbox, Wheels, Cutting hight adjustment Ricambi
Start
Golf
Petrol mower self propelled
445 HR 4
04011.05 (1992)
Gearbox, Wheels, Cutting hight adjustment
Gearbox, Wheels, Cutting hight adjustment 04011.05 (1992)
Posizione
Articolo numero
Descrizione
1
079.19.965
Transmission cpl.
33
079.19.331
PULLEY
34
25.3197.99
Pin
35
24.6485.15
Washer
36
079.30.241
AXLE BEARING
37
000.24.060
BUSH
38
21.5441.15
Screw
39
24.1426.12
NYL STOP NUT M5 DIN 985-8
40
079.30.102
COVER DISK LH
41
079.30.103
USE WD-C37700
42
079.30.898
ADJUSTING LEVER
43
21.5441.27
Screw
44
24.8196.14
LOCK WASHER
45
21.1441.24
Screw
46
24.8195.12
LOCK WASHER
47
24.1421.12
Nut
48
079.30.101
COVER DISK RH
49
24.6271.56
Shim
50
24.6271.54
Shim
51
28.3591.30
Retaining ring
52
24.6486.25
Washer
53
079.30.071
PINION R.
54
000.24.039
BUSHING
55
079.30.072
PINION L.
56
079.29.529
Valve collets
57
000.20.639
Washer
58
28.3591.12
Circlip DIN 471
59
24.6273.40
Shim
60
079.30.818
DRIVE WHEEL, WHITE, D180
61
079.29.166
Wheel bolt
62
24.1421.18
Nut
63
24.8195.56
SPRING LOCK WASHER/DIA 8
64
079.29.695
Wheel cap
65
079.26.135
COVER
66
000.02.371
Screw
67
000.75.940
V-belt
68
24.6271.60
Shim
Gestione della qualità
Aiutaci a migliorare il nostro sito. Informaci se trovi un errore.