.it
Carrello
vuoto
Il mio account
Registrati
Log in
Benvenuti
Contatti
Spedizione
L’azienda
Guest book
Condizioni e Privacy
Catalogare
Tagliare, profilare
Componenti per motore
Officine meccaniche
Parti e componentistica per macchine varie
Forestali
Articoli elettrici
Articoli invernali
Cinghie trapezoidali e relative pulegge
Filters
PEZZI DI RICAMBIO
Sprocket Rims
Guide Bars
Chainsaw Chains
Search by Part Number
Diagrammi ed elenchi
Servizio
Determine Chain
Ricerca
DE
EN
FR
ES
IT
Versione mobile
Golf 133 VE 02826.07 (1996) Basic machine Ricambi
Start
Golf
Electric verticutter
133 VE
02826.07 (1996)
Basic machine
Basic machine 02826.07 (1996)
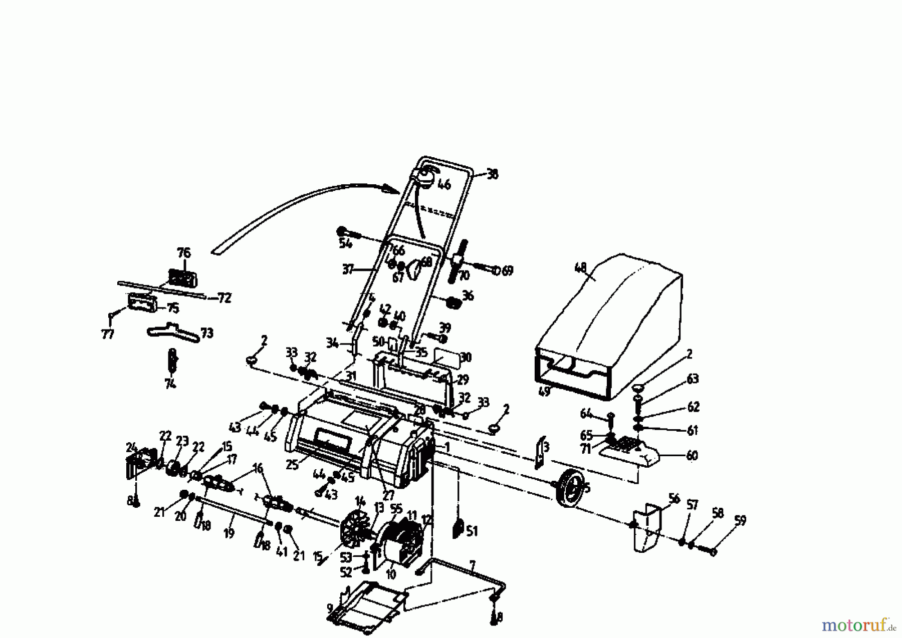
Posizione
Articolo numero
Descrizione
1
079.85.299
Housing
2
000.70.557
Cap
3
079.29.490
Adjusting lever
4
000.34.303
Plug
5
079.29.766
Wheel
7
079.85.218
BAIL
8
000.02.493
SCREW
9
079.85.318
Cover
10
079.11.692
E-MOTOR 1000W CRA 52/21A
11
079.11.890
Consdenser
12
079.38.126
Insulating piece
13
000.30.275
spring
14
079.85.200
Fan
15
25.3197.95
Pin
16
079.85.231
blade holder
17
079.85.176
Hub
18
079.85.230
BLADE
19
079.85.205
HINGE PIN
20
24.6273.15
Shim
21
24.1426.14
NYL-STOP-NUT M6 DIN985-8
22
28.3591.17
Retaining ring
23
26.1027.43
Ball bearing
24
079.85.193
Bushing
25
000.50.271
Decal "GOLF"
27
000.50.386
Decal
28
000.57.349
ERSATZTYPENSCHILD 133 VE-ROT
29
079.85.216
Rear flap
30
000.50.329
Decal
31
079.85.206
ROD,HYDRO DISENGAGEMENT
32
000.31.166
SPRING-EXTENSION
33
000.02.427
Lock washer
34
079.06.261
Handle tube right
35
079.06.262
Handle tube left
36
000.13.064
Cable clamp
37
079.06.260
Lower handle
38
079.06.736
UPPER HANDLE
39
23.5422.20
CURVED CARR. BOLT M6x30
40
24.6481.14
WASHER A6.4 DIN 125-ST
41
24.6273.16
ADJUSTING WASHER
42
24.1426.14
NYL-STOP-NUT M6 DIN985-8
43
22.6481.35
43
22.6418.35
Screw
44
24.8191.09
Spring washer
45
24.6486.13
Washer
46
079.39.829
SWITCH
48
079.80.841
Grass catcher
49
079.80.836
GRASS BAG FRAME
50
000.50.393
Decal
51
079.85.213
Bearing reinforcement
52
000.02.494
Screw
53
24.8190.14
Washer
54
22.3417.31
Screw
55
079.11.303
Air guide plate
56
079.85.224
Air guide
57
24.6486.13
Washer
58
24.8191.09
Spring washer
59
000.02.371
Screw
60
079.85.302
HOOD
61
24.6486.16
Washer
62
24.8190.14
Washer
63
000.02.493
SCREW
64
000.02.371
Screw
65
24.8191.09
Spring washer
66
24.6481.18
WASHER 8.4 DIN125
67
24.8191.18
L-washer
68
000.02.377
WING NUT
69
21.1441.78
Screw
70
079.05.304
WIRE SLEEVE
71
24.6481.09
Washer
72
079.06.254
Rod
73
079.05.533
GUIDE BAIL
74
079.06.417
RET:CORD:ELECTRIC
75
079.05.531
SUPPORT R.H.
76
079.05.532
SUPPORT L.H.
77
000.02.370
Screw
Gestione della qualità
Aiutaci a migliorare il nostro sito. Informaci se trovi un errore.