.it
Carrello
vuoto
Il mio account
Registrati
Log in
Benvenuti
Contatti
Spedizione
L’azienda
Guest book
Condizioni e Privacy
Catalogare
Tagliare, profilare
Componenti per motore
Officine meccaniche
Parti e componentistica per macchine varie
Forestali
Articoli elettrici
Articoli invernali
Cinghie trapezoidali e relative pulegge
Filters
PEZZI DI RICAMBIO
Sprocket Rims
Guide Bars
Chainsaw Chains
Search by Part Number
Diagrammi ed elenchi
Servizio
Determine Chain
Ricerca
DE
EN
FR
ES
IT
Versione mobile
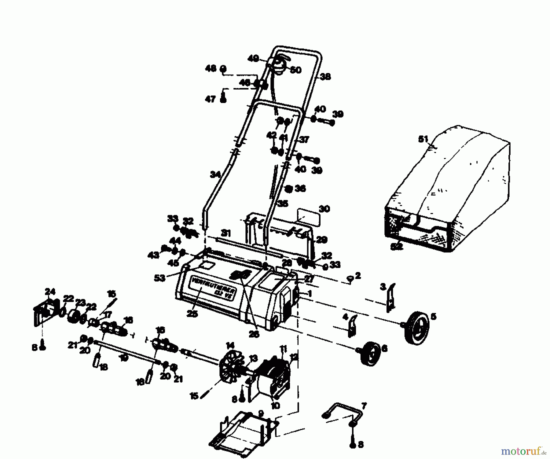
Golf 132 VE 02890.01 (1985) Basic machine Ricambi
Start
Golf
Electric verticutter
132 VE
02890.01 (1985)
Basic machine
Basic machine 02890.01 (1985)
Posizione
Articolo numero
Descrizione
1
079.85.871
LIEFERUMFANG GEHAEUSE
2
000.70.557
Cap
3
079.29.490
Adjusting lever
4
079.29.483
Adjusting lever
5
079.29.986
Wheel
6
079.29.987
Wheel
7
079.85.211
BAIL
8
000.02.417
Screw
9
079.85.204
COVER
10
079.11.689
ELECTRIC MOTOR 850W
11
079.38.096
CONDENSER
12
079.38.126
Insulating piece
13
000.30.275
spring
14
079.85.200
Fan
15
25.3197.95
Pin
16
079.85.175
BLADE RETAINING WASHER
17
079.85.176
Hub
18
079.85.179
KNIFE
19
079.85.205
HINGE PIN
20
24.6481.14
WASHER A6.4 DIN 125-ST
21
24.1426.14
NYL-STOP-NUT M6 DIN985-8
22
28.3591.17
Retaining ring
23
26.1027.43
Ball bearing
24
079.85.192
bearer
25
000.49.467
NAMENSCHILD
26
000.49.159
Decal
27
000.48.911
Decal
28
000.49.466
LBL.IDENTIFICATION
29
079.85.201
REAR FLAP
30
000.48.952
Decal
31
079.85.206
ROD,HYDRO DISENGAGEMENT
32
000.31.166
SPRING-EXTENSION
33
000.02.427
Lock washer
34
079.05.289
Handle tube right
35
079.05.290
Handle tube left
36
000.13.064
Cable clamp
37
079.05.299
LOWER HANDLE
38
079.05.871
Handle upper part
39
23.5422.20
CURVED CARR. BOLT M6x30
40
24.6481.14
WASHER A6.4 DIN 125-ST
41
24.8191.14
L-washer
42
24.1421.14
Nut
43
22.6418.35
Screw
45
24.6486.13
Washer
46
079.05.195
Cable clamp
47
21.6421.75
Screw
48
24.3423.14
Nut
49
079.38.725
SWITCH
50
000.49.309
Decal
51
079.80.837
BAG:CTHR GRASS "A" DECK
52
079.80.836
GRASS BAG FRAME
53
000.49.081
Decal
Gestione della qualità
Aiutaci a migliorare il nostro sito. Informaci se trovi un errore.