.it
Carrello
vuoto
Il mio account
Registrati
Log in
Benvenuti
Contatti
Spedizione
L’azienda
Guest book
Condizioni e Privacy
Catalogare
Tagliare, profilare
Componenti per motore
Officine meccaniche
Parti e componentistica per macchine varie
Forestali
Articoli elettrici
Articoli invernali
Cinghie trapezoidali e relative pulegge
Filters
PEZZI DI RICAMBIO
Sprocket Rims
Guide Bars
Chainsaw Chains
Search by Part Number
Diagrammi ed elenchi
Servizio
Determine Chain
Ricerca
DE
EN
FR
ES
IT
Versione mobile
Golf Junior-PL 04027.04 (1996) Basic machine Ricambi
Start
Golf
Electric mower
Junior-PL
04027.04 (1996)
Basic machine
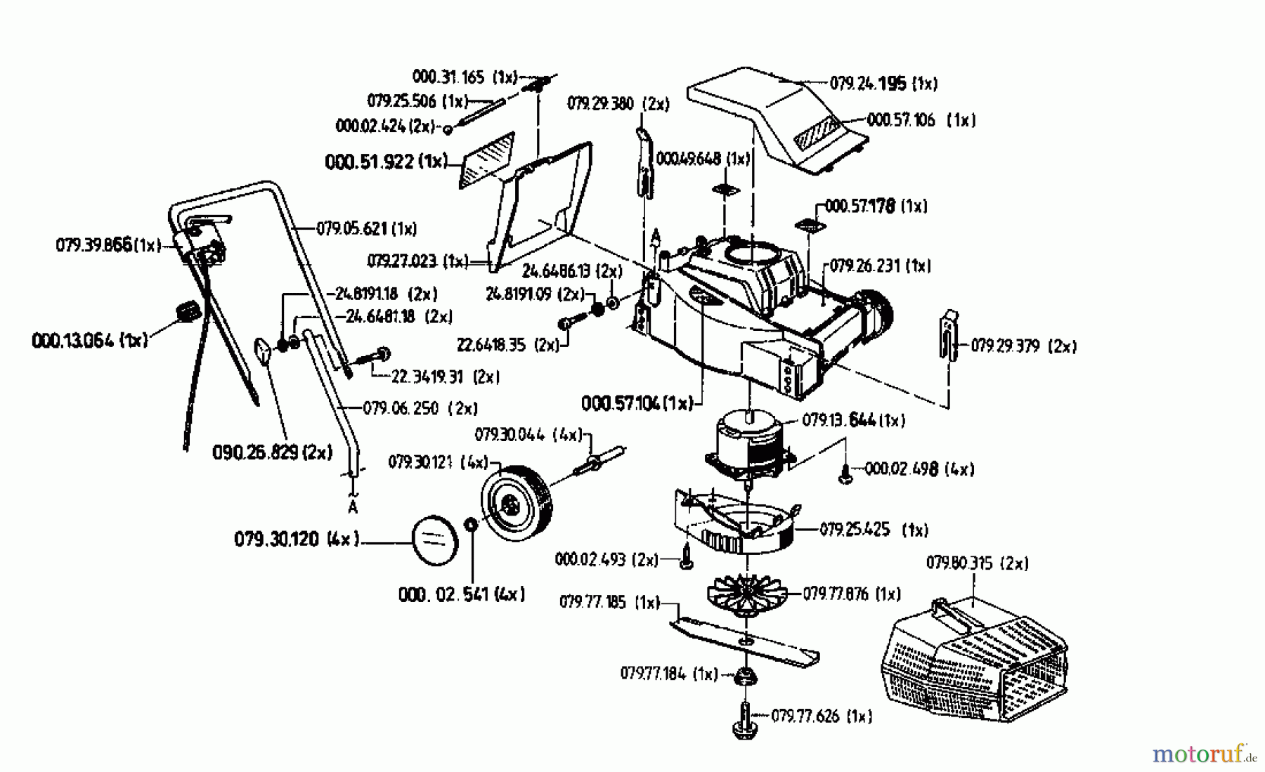
Basic machine 04027.04 (1996)
Posizione
Articolo numero
Descrizione
24.8
24.8191.09
Spring washer
079.
079.29.380
HEIGHT ADJ LEVER
22.3
22.3419.31
Screw
000.
000.13.064
Cable clamp
24.6
24.6486.13
Washer
000.
000.57.106
KLEBESCHILD GOLF JUNIOR
000.
000.57.178
ERSATZTYPENSCHILD GOLF JUNIOR
000.
000.49.648
LABEL
079.
079.24.195
HOOD
000.
000.02.424
Retaining cap
079.
079.25.506
Rod
079.
079.39.866
TYP CCS 59
000.
000.51.922
WARNAUFKLEBER (POLNISCH)
000.
000.31.165
SPRING-EXTENSION
24.6
24.6481.18
WASHER 8.4 DIN125
22.6
22.6418.35
Screw
079.
079.05.621
Upper handle assy.
079.
079.27.023
REAR FLAP
079.
079.25.425
COVER
079.
079.77.876
BLADE HUB
000.
000.02.498
SCREW-Sternantrieb HD 5/16-18
079.
079.80.315
GRASSBOX UPR PART MELON YELLOW
079.
079.77.184
LOCK WASHER
079.
079.77.626
Screw
000.
000.02.541
CLAMP RIN
079.
079.77.185
BLADE
079.
079.13.644
ELECTRIC MOTOR 900W 230V
079.
079.06.250
Handle tube
079.
079.30.120
Wheel cap
079.
079.26.231
Mower housing
079.
079.29.379
Adjusting lever front
090.
090.26.829
WING NUT
079.
079.30.044
Bolt
000.
000.57.104
LABEL
079.
079.30.121
Wheel
24.8
24.8191.18
L-washer
000.
000.02.493
SCREW
Gestione della qualità
Aiutaci a migliorare il nostro sito. Informaci se trovi un errore.