.it
Carrello
vuoto
Il mio account
Registrati
Log in
Benvenuti
Contatti
Spedizione
L’azienda
Guest book
Condizioni e Privacy
Catalogare
Tagliare, profilare
Componenti per motore
Officine meccaniche
Parti e componentistica per macchine varie
Forestali
Articoli elettrici
Articoli invernali
Cinghie trapezoidali e relative pulegge
Filters
PEZZI DI RICAMBIO
Sprocket Rims
Guide Bars
Chainsaw Chains
Search by Part Number
Diagrammi ed elenchi
Servizio
Determine Chain
Ricerca
DE
EN
FR
ES
IT
Versione mobile
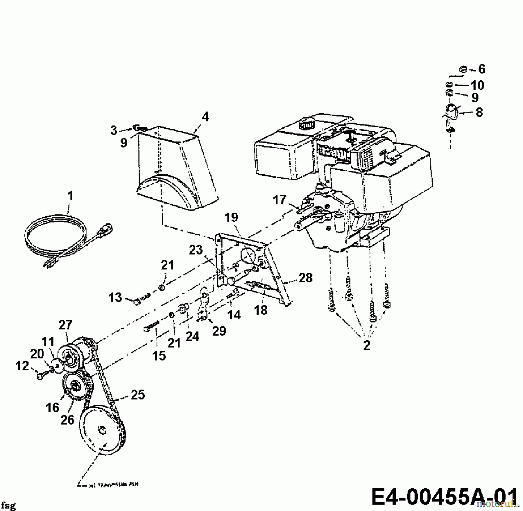
Yard-Man E 993 I 31AE993I643 (1998) Drive system Ricambi
Start
Yard-Man
Snow throwers
E 993 I
31AE993I643 (1998)
Drive system
Drive system 31AE993I643 (1998)
Posizione
Articolo numero
Descrizione
1
629-0071
CORD-EXTENSION
2
710-0502A
SCR:TTSEMS:3/8-16:1.250:HXLWSH
3
710-0607
SCREW:TT:5/16-18:.500:HXINDWSH
4
731-0321
COVER-BELT
5
736-0264
WASH:FLAT:.330 x.630x.0635
6
712-3006
NUT:HEX:1/4-20:GR5
8
732-0705
WCABLE CONTROL WIRE
9
736-0173
WASH:FL:.28ID:.74OD:.063
10
736-0329
WASHER:LOCK:1/4:REGULAR DUTY
11
07386
WASHER-FL
12
710-0191
HHCS:3/8-24:1.25:GR8:SPEC
13
710-0237
HHCS:5/16-24:.625:GR5:STD
14
710-0459
HHCS:3/8-24:1.5:GR5:STD
15
710-1245
HEXAGONAL SCREW
16
712-0116
NUT:JAMLK:3/8-24:GR2:NYLON
17
714-0118
KEY:SQ:1/4 x 1.50
18
732-0303
SPRING:EXTN:.375 x 3.18 LG
19
736-0169
WASH:LOCK:3/8:REGULAR DUTY
20
736-0217
WASHER:LOCK:3/8:HEAVY DUTY
21
736-0242
WASH:BLVL:.340 x .872 x .060
23
738-0215A
SCREW-SHLD
24
748-0234
SHOULDER SPACER:.315DLX1
25
754-0131
V-BELT
26
756-0240
PULLEY-IDLER-FLAT
27
756-0241B
DOUBLE PULLEY
28
684-0123
COVER-BELT
29
784-5726
BRACKET
Gestione della qualità
Aiutaci a migliorare il nostro sito. Informaci se trovi un errore.