Il mio account
Settings Desktop

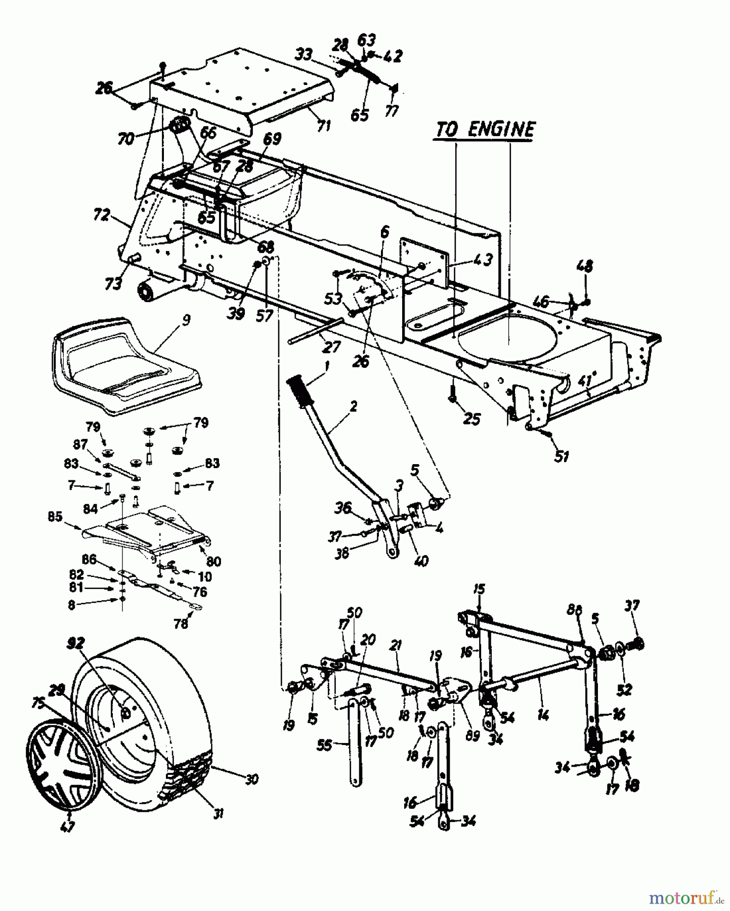
Yard-Man HH 8200 14AU834H643 (1998) Decklift,Rear frame, Rear wheels Ricambi

Decklift,Rear frame, Rear wheels 14AU834H643 (1998)

 Yard-Man Garden tractors HH 8200 14AU834H643  (1998) Decklift,Rear frame, Rear wheels
PosizioneArticolo numeroDescrizione
2 17282LIFT HANDLE ASSY.
3 710-0442HEX BOLT 5/16-18X1.5"
4 748-0274ASHAFT-LIFT
5 Yard-Man BRG:HEX FLNG741-0225BRG:HEX FLNG
6 14231BRACKET-INDEX
7 738-1007SHOULDER SCREW
8 Yard-Man NUT:FLGLK:1/4-20:GRF712-3027NUT:FLGLK:1/4-20:GRF
9 757-0372SEAT:V560 RAD YELLOW
10 783-0611STOP:SEAT:ADJ
14 983-0101lift shaft
15 13895BRACKET-LIFT PIV
16 17303UPPER SUSPENSION BRACKET
17 736-0192WASH:FL:.535 X .93 X .090
18 Yard-Man PIN:COT:INT:.08 X 1.42714-0101PIN:COT:INT:.08 X 1.42
19 741-0581
20 738-0445SCREW-SHLD
21 13790CLUTCH LINK
25 Yard-Man SCR:TTSEMS:3/8-16:1.250:HXLWSH710-0502ASCR:TTSEMS:3/8-16:1.250:HXLWSH
26 Yard-Man SCR:AB:5/16-12:0.750:HXINDWSH710-0726SCR:AB:5/16-12:0.750:HXINDWSH
27 738-0435ROD-RUNNING BOARD
28 726-0272CLAMP 9/16 DIA (FUEL HOSE)
29 Yard-Man VALVE - TUBELESS AIR734-0255VALVE - TUBELESS AIR
30 634-0133WHEEL ASSY-COMP RND SH
30 734-0322TIRE-TUBELESS
31 634-3178RIM ASM:12.0 X 7.0
33 710-0258HHCS:1/4-20:.625:GR2:STD
34 711-0817LOWER SUSPENSION BRACKET
36 712-0158NUT:HEXLK:5/16-18:GRA:CTRLK
37 Yard-Man HHCS:5/16-24:.75:GR5:STD710-0157HHCS:5/16-24:.75:GR5:STD
39 Yard-Man NUT:JAMLK:3/8-16:GR5712-0181NUT:JAMLK:3/8-16:GR5
40 732-0369COMPRESSION SPRING
41 738-0777AGUIDE ROD
42 Yard-Man NUT:SEMS:1/4-20712-0271NUT:SEMS:1/4-20
43 14170PLATE-REINFORCEMENT
46 726-0273CLAMP-MTG
47 734-1785ASPOKED HUB CAP
48 Yard-Man SCREW:TT:1/4-20:0.500:HXINDWSH710-0599SCREW:TT:1/4-20:0.500:HXINDWSH
50 Yard-Man COTTER PIN 3/32 DIA X 1.00714-0111COTTER PIN 3/32 DIA X 1.00
51 Yard-Man INTERNAL COTTER PIN714-0149BINTERNAL COTTER PIN
52 Yard-Man WASHER:FLAT:.344x1.125x.120736-0231WASHER:FLAT:.344x1.125x.120
53 Yard-Man SCREW:TT:5/16-18:.500:HXINDWSH710-0607SCREW:TT:5/16-18:.500:HXINDWSH
54 Yard-Man NUT:HEX:1/2-13:GR5712-0206NUT:HEX:1/2-13:GR5
55 14399SUSPENSION BRACKET
57 736-0219WASH:BELL:.389 x 1.120 x.030
63 Yard-Man WASHER:LOCK:1/4:REGULAR DUTY736-0329WASHER:LOCK:1/4:REGULAR DUTY
65 751-0535-46
66 Yard-Man CLAMP HOSE: .490 DIA726-0205CLAMP HOSE: .490 DIA
67 710-0776
68 17424STRAP
69 751-0566TANK-GAS
70 751-0531BGUAGE-GAS
71 683-0108ASEAT PLATE
72 783-0419HITCH PLATE
73 738-0482ROD-HITCH
75 Yard-Man SPRING CLIP727-0425ASPRING CLIP
76 710-1268HEX. SCREW:B:#10-16:0.375
77 726-0272CLAMP 9/16 DIA (FUEL HOSE)
78 720-0309AGRIP:SEAT:ADJUSTER
79 731-1989SPACER:SEAT:ADJUSTER
80 732-0499COMPR. SPRING .41 OD X 1.50 LG
81 736-0175SPRING WASHER:.265 x.562 x.025
82 736-0204WASH:FLAT:.344 X .620 X .033
83 736-0192WASH:FL:.535 X .93 X .090
84 738-0137ASCR:SHLDR:.340X.285:1/4-20
85 783-0607ASUPPORT-SEAT
86 783-0609LVR:SEAT:ADJ
87 783-0753SELCT:SEAT:ADJ
88 683-0097BRKT:AXLE:LH
89 683-0098BRKT:AXLE:RH
92 Yard-Man NUT:LUG:7/16-14712-3050NUT:LUG:7/16-14
Rasen
Bankeinzug, MasterCard, Visa, American Express, PayPal, Nachnahme, Vorauskasse, Sofortüberweisung
Gestione della qualità
Aiutaci a migliorare il nostro sito. Informaci se trovi un errore.